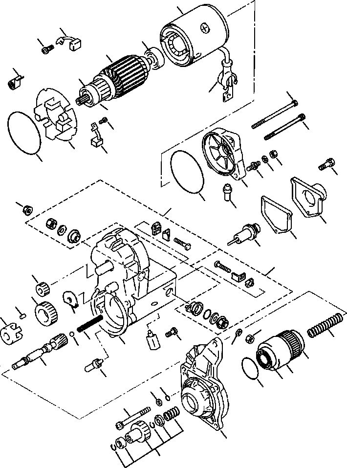
Запчасти Komatsu PC220LC-8 A-AA СТАРТЕР V - 7. KW ДВИГАТЕЛЬ

Схема запчастей Komatsu PC220LC-8 - A-AA СТАРТЕР V - 7. KW ДВИГАТЕЛЬ
1
40
38
5
2
22
3
31
29
4
30
38
21
39
36
33
35
19
47
23
43
15
36
42
18
17
16
14
37
26
27
28
34
33
10
25
41
13
35
24
9
11
7
20
46
8
45
44
32
12
6
FIT
1:1
100%

Артикул

Название

Примечание

Количество

|$0

6738-82-6810

STARTING MOTOR, PRODUCTION

|$1

1316 576 H91

STARTING MOTOR, SERVICE

1

1308 948 H1

YOKE ASSEMBLY, STARTER

2

1308 949 H1

ARMATURE ASSEMBLY, STARTER

3

1308 950 H1

BEARING, BALL (OD35)

4

1308 951 H1

BEARING, BALL (OD35)

5

1308 952 H1

BEARING, BALL (OD30)

|$7

1308 862 H91

CLUTCH SUBASSEMBLY, STARTER

6

1308 863 H1

STARTER KIT, PINION

7

1308 953 H91

CLUTCH SUBASSEMBLY KIT, STARTER

8

1316 570 H1

BEARING, BALL (FRONT)

9

1308 865 H1

BEARING, BALL (REAR)

10

NSS

SPRING, COMPRESSION COIL

11

1308 867 H1

SHAFT

12

1316 571 H1

HOUSING, STARTER

13

1316 572 H91

SWITCH ASSEMBLY, MAGNETIC

14

1316 573 H1

STARTER KIT (TERMINAL KIT M)

15

1308 957 H1

STARTER KIT (TERMINAL KIT C)

16

1308 958 H1

PLUNGER SUBASSEMBLY

17

1308 872 H1

GASKET, SWITCH A

18

1308 873 H1

COVER, SOLENOID

19

1308 960 H1

BOLT, W/WASHER (M5,L14)

20

1308 875 H1

BUSHING, DRAIN

21

1308 961 H1

HOLDER ASSEMBLY, STARTER BRUSH

22

1308 962 H1

SPRING, BRUSH

23

1316 574 H1

FRAME, STARTER END

24

1308 879 H1

BALL, STEEL

25

1308 880 H1

SPRING, COMPRESSION COIL

26

1308 964 H1

PINION, STARTER

27

1308 882 H1

ROLLER, CLUTCH

28

1308 883 H1

RETAINER

29

1316 557 H1

COVER

30

1308 965 H1

BOLT, THROUGH (M7, L144.5)

31

1308 966 H1

BOLT, THROUGH (M7, L206)

32

1308 890 H1

SCREW (M6, L50)

33

1308 893 H1

NUT, HEXAGON (M10)

34

1308 884 H1

RETAINER, SNAP

35

1308 894 H1

WASHER, SPRING (M10)

36

1316 558 H1

SEAL, STARTER

37

1308 968 H1

PINION, STARTER

38

1308 889 H1

SCREW, W/WASHER (M5,L9.4)

39

1308 969 H1

BRUSH (+) SUBASSEMBLY, STARTER

40

1308 970 H1

BRUSH (-) SUBASSEMBLY, STARTER

41

1308 892 H1

SCREW, W/WASHER (M5,L8)

42

1308 895 H1

COVER

43

1308 898 H1

NUT (M10)

44

1308 896 H1

SEAL, STARTER

45

1308 897 H1

WASHER, PLATE (T1)

46

1308 891 H1

O-RING (ID4.8)

47

1316 575 H1

BOLT, STARTER

N/I

09842-A0481

DECAL, DO NOT JUMP START

Выбрано товаров: 51