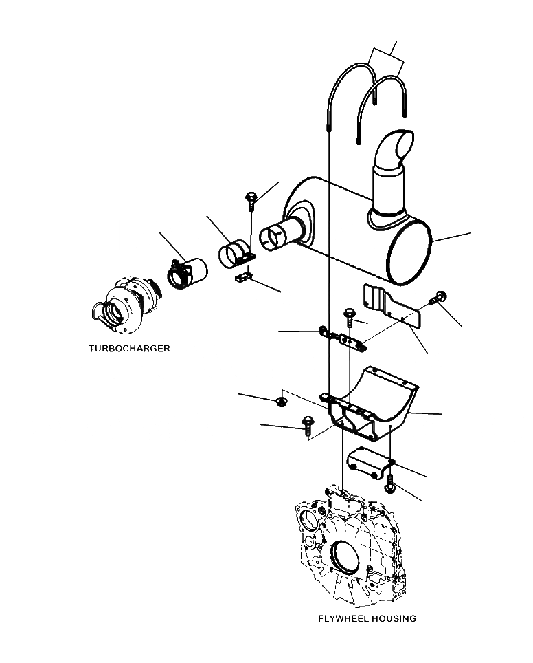
Запчасти Komatsu PC220LC-8 B-A ВЫПУСКН. ГЛУШИТЕЛЬ (заводской номер A88-A8899 ) КОМПОНЕНТЫ ДВИГАТЕЛЯ

Схема запчастей Komatsu PC220LC-8 - B-A ВЫПУСКН. ГЛУШИТЕЛЬ (заводской номер A88-A8899 ) КОМПОНЕНТЫ ДВИГАТЕЛЯ
2
6
4
14
1
5
13
11
13
12
3
7
8
9
10
FIT
1:1
100%

Артикул

Название

Примечание

Количество

1

6754-11-5350

MUFFLER

2

6754-11-5950

BOLT, U

3

01594-01210

NUT

4

6210-11-5232

CLAMP

5

6206-11-5850

PLATE

6

01435-01235

BOLT

7

6754-11-5770

BRACKET

8

01435-01030

BOLT

9

6754-11-5420

BRACKET

10

01435-01025

BOLT

11

6754-71-9740

BRACKET

12

6754-71-9730

COVER

13

01435-00820

BOLT

14

6735-11-5611

TUBE

Выбрано товаров: 0