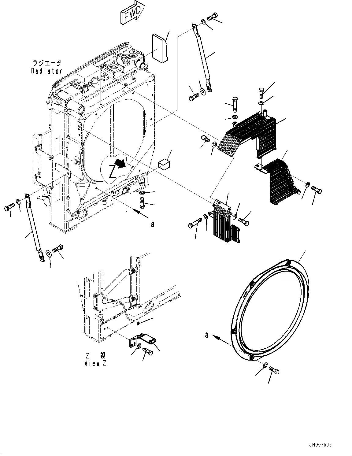
Запчасти Komatsu PC220LC-8M0 СИСТЕМА ОХЛАЖДЕНИЯ, ЗАЩИТА ВЕНТИЛЯТОРА (№-) СИСТЕМА ОХЛАЖДЕНИЯ, С AMP. УПЛОТНЕНИЕED ГЕНЕРАТОР

Схема запчастей Komatsu PC220LC-8M0 - СИСТЕМА ОХЛАЖДЕНИЯ, ЗАЩИТА ВЕНТИЛЯТОРА (№-) СИСТЕМА ОХЛАЖДЕНИЯ, С AMP. УПЛОТНЕНИЕED ГЕНЕРАТОР
1
2
3
19
18
23
24
1
2
3
6
5
4
7
8
9
10
11
12
13
14
18
19
20
21
9
10
8
7
22
25
26
27
15
16
17
FIT
1:1
100%

Артикул

Название

Примечание

Количество

1

20Y-03-32660

Stay

2

01010-81635

Bolt

3

01643-31645

Washer

4

20Y-03-46420

Guard

5

20Y-03-46330

Guard

6

20Y-03-46341

Guard

7

01010-81025

Bolt

8

01643-31032

Washer

9

01010-81025

Bolt

10

01643-31032

Washer

11

01010-81050

Bolt

12

01643-31032

Washer

13

01010-81060

Bolt

14

01643-31032

Washer

15

22U-03-31170

Shroud

16

01010-81025

Bolt

17

203-54-56970

Washer

18

01010-81635

Bolt

19

21T-54-16150

Washer

20

01010-81640

Bolt

21

01643-31645

Washer

22

206-03-43340

Clip

23

206-03-21371

Sheet

24

20Y-03-41831

Sheet

25

20Y-62-51481

Bracket

26

01010-81225

Bolt

27

01643-31232

Washer

Выбрано товаров: 0