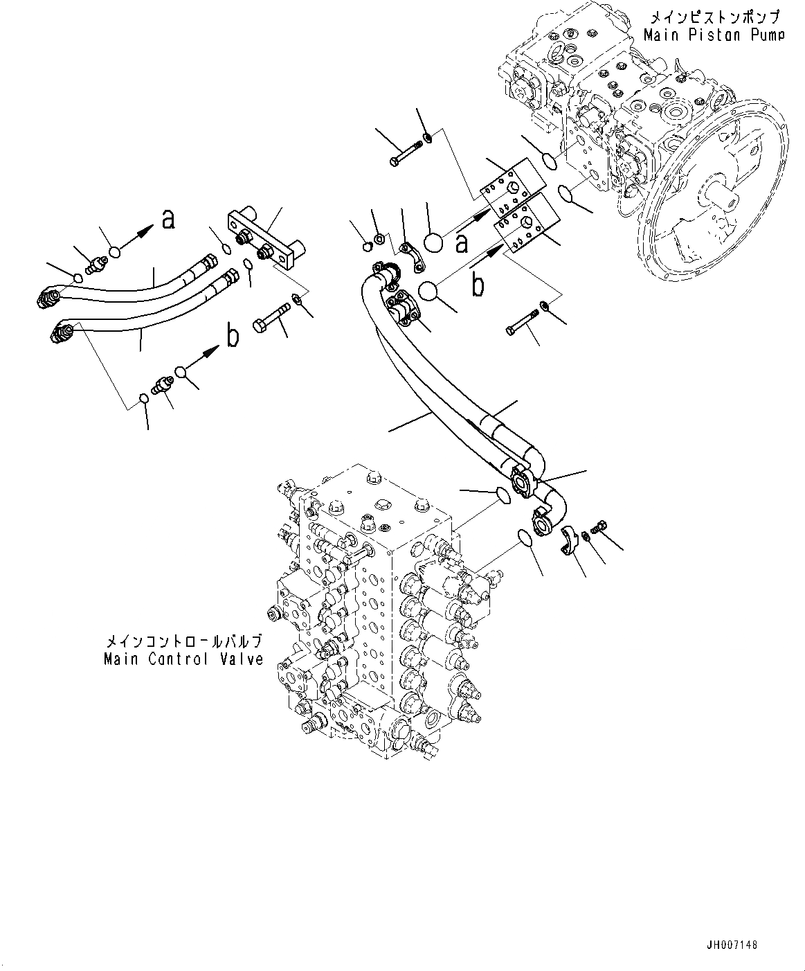
Запчасти Komatsu PC220LC-8M0 ПОДАЮЩ. ТРУБЫ (№-) ПОДАЮЩ. ТРУБЫ

Схема запчастей Komatsu PC220LC-8M0 - ПОДАЮЩ. ТРУБЫ (№-) ПОДАЮЩ. ТРУБЫ
8
8
10
10
11
12
1
3
5
5
7
6
21
21
20
20
2
4
4
2
9
9
13
18
19
15
16
17
14
15
14
15
15
16
17
FIT
1:1
100%

Артикул

Название

Примечание

Количество

1

07084-01AA9

Hose, Flange Type

2

07000-13032

O-ring

3

20Y-62-52690

Hose

4

07000-13032

O-ring

5

07371-31049

Flange, Split

6

07372-21035

Bolt

7

01643-51032

Washer

8

20Y-62-54130

Block

9

07000-13032

O-ring

10

07371-31049

Flange, Split

11

07372-21035

Bolt

12

01643-51032

Washer

13

20Y-62-54140

Bracket

14

02779-004A6

Hose, Face Seal Type

15

02896-61012

O-ring

16

02781-00422

Union

17

07002-62034

O-ring

18

01010-81275

Bolt

19

01643-31232

Washer

20

01011-81025

Bolt

21

01643-31032

Washer

Выбрано товаров: 21