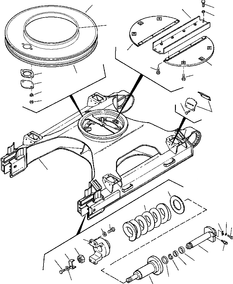
Запчасти Komatsu PC220LL-6 FIG. R-A ГУСЕНИЧНАЯ РАМА ХОДОВАЯ

Схема запчастей Komatsu PC220LL-6 - FIG. R-A ГУСЕНИЧНАЯ РАМА ХОДОВАЯ
10
23
24
25
35
26
27
26
20
28
29
19
22
21
18
17
1
12
13
34
32
15
33
16
14
7
8
31
2
9
4
5
6
3
30
11
FIT
1:1
100%

Артикул

Название

Примечание

Количество

1

20Y-30-81811

FRAME, TRACK LIGHT DUTY

|$4

206-30-81171

FRAME, TRACK HEAVY DUTY

2

206-30-55122

SHAFT

3

206-30-55150

SEAL

4

07155-00720

RING

5

09370-00070

PACKING

6

04046-04518

RING, SNAP

7

206-30-45381

NUT

8

206-30-45262

LOCK

9

01010-81225

BOLT

10

20Y-30-21150

COVER

11

206-30-65181

CYLINDER

12

20Y-30-81211

SPACER

13

206-30-55170

SPRING

14

20Y-30-22113

YOKE

15

01010-61655

BOLT

16

01643-31645

WASHER

17

206-30-81220

PLATE

18

01024-31245

BOLT

19

205-30-71181

COVER

20

205-30-71191

GASKET

21

01580-11008

NUT

22

01643-31032

WASHER

23

206-958-8580

BRACKET

24

01010-82045

BOLT

25

01643-32060

WASHER

26

206-958-8590

COVER

27

01024-81030

BOLT

28

01024-81230

BOLT

29

20Y-30-11370

SEAL

30

01643-31232

WASHER

31

07959-20001

VALVE

32

205-30-72170

PLATE

33

01010-81225

BOLT

34

01643-31232

WASHER

35

205-30-71171

SEAL

Выбрано товаров: 36