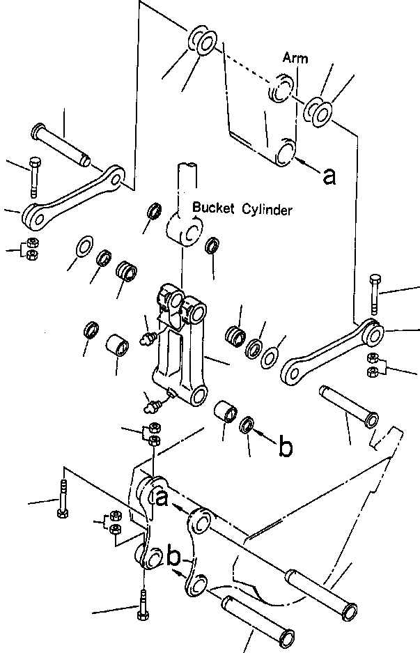
Запчасти Komatsu PC220LL-6 FIG. T-A РУКОЯТЬ СОЕДИНЕНИЕ КОВША РАБОЧЕЕ ОБОРУДОВАНИЕ

Схема запчастей Komatsu PC220LL-6 - FIG. T-A РУКОЯТЬ СОЕДИНЕНИЕ КОВША РАБОЧЕЕ ОБОРУДОВАНИЕ
9
8
8
10
9
11
7
5
8
11
5
5
2
4
2
5
8
7
6
1
12
4
3
18
3
10
6
17
15
16
14
13
12
FIT
1:1
100%

Артикул

Название

Примечание

Количество

|$0

20Y-70-00070

LINK ASSEMBLY

|$1

20Y-70-00181

LINK ASSEMBLY

1

NSS

LINK

|$3

NSS

LINK

2

205-70-73180

BUSHING

3

205-70-67150

BUSHING

4

07020-00000

FITTING, GREASE

5

21K-70-12180

SEAL, DUST

6

205-70-62140

SEAL, DUST

7

205-70-73130

LINK

8

20Y-70-11320

SPACER, 0.8 MM

9

20Y-70-11330

SPACER, 1.5 MM

10

205-70-73160

PIN

11

205-70-73190

BOLT

12

01580-12016

NUT

13

205-70-73270

PIN

14

205-70-73190

BOLT

15

01580-12016

NUT

16

205-70-73270

PIN

17

362-46-11210

BOLT

18

01580-12016

NUT

Выбрано товаров: 0