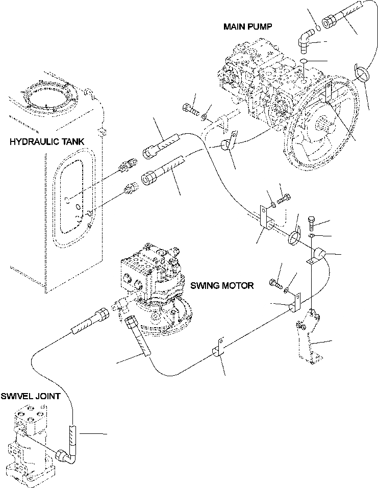
Запчасти Komatsu PC220LL-7L FIG. H-A ГИДРОЛИНИЯ - ВОЗВРАТН. ЛИНИИ ГИДРАВЛИКА

Схема запчастей Komatsu PC220LL-7L - FIG. H-A ГИДРОЛИНИЯ - ВОЗВРАТН. ЛИНИИ ГИДРАВЛИКА
15
10
14
16
12
13
2
9
11
11
7
8
10
17
4
5
6
3
4
5
3
18
2
3
1
FIT
1:1
100%

Артикул

Название

Примечание

Количество

1

02763-00509

HOSE

2

206-62-A1780

HOSE

3

04434-52312

CLIP

4

01010-81225

BOLT

5

01643-31232

WASHER

6

581-04-22290

CLIP

7

01010-81225

BOLT

8

01643-31232

WASHER

9

08034-20536

BAND

10

20Y-62-43870

HOSE

11

04434-52712

CLIP

12

01010-81225

BOLT

13

01643-31232

WASHER

14

02782-10628

ELBOW

15

02896-11018

O-RING

16

07002-12434

O-RING

17

08034-20536

BAND

Выбрано товаров: 17