Качественные детали и логистика
Оригинальные и аналоговые запчасти с доставкой по России, Казахстану и Беларуси
©2022 PartSell ООО "Система" ИНН 2463123282 ОГРН 1212400004838
Центральный офис: г. Красноярск, Академика Киренского, д.87, пом.4
Телефон: 8 (800) 777-65-74 Email: zakaz@partsell.ru
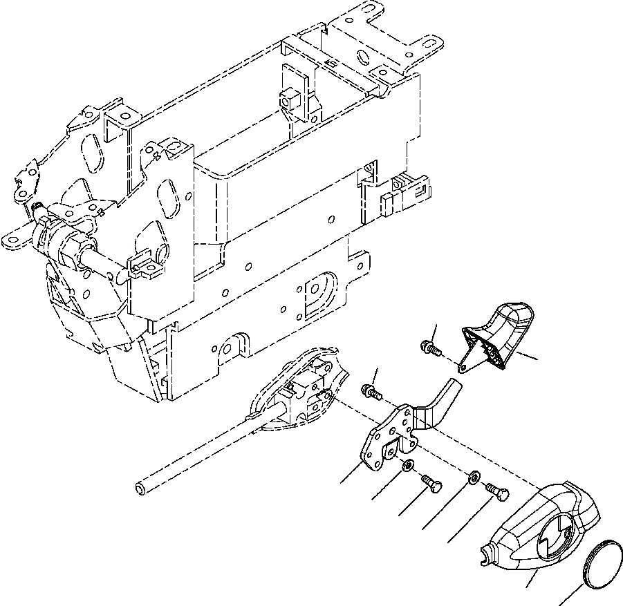
FIG. K-A ОСНОВН. КОНСТРУКЦИЯ - РУЧКА УПРАВЛ-Я
№
Артикул
Название
Примечание
Количество
|$0
20Y-43-31601
COVER ASSEMBLY
1
20Y-43-31610
KNOB
2
20Y-43-31620
COVER
3
20Y-43-31631
PLATE
4
01023-60412
SCREW
5
20Y-43-31640
CAP
6
01010-80616
BOLT
7
01643-30623
WASHER
Выбрано товаров: 0