Запчасти Komatsu PC220LL-7L FIG. R-A ПОДДЕРЖИВАЮЩИЙ КАТОК ХОДОВАЯ

Схема запчастей Komatsu PC220LL-7L - FIG. R-A ПОДДЕРЖИВАЮЩИЙ КАТОК ХОДОВАЯ
11
6
12
8
5
7
8
9
2
9
3
11
1
12
3
6
8
13
7
8
14
15
4
10
FIT
1:1
100%

Артикул

Название

Примечание

Количество

|$0

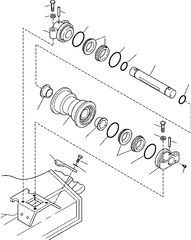
207-30-00610

CARRIER ROLLER ASSEMBLY

1

207-30-78010

ROLLER

2

207-30-78030

SHAFT

3

207-30-71540

BUSHING

4

207-30-78050

COLLAR

5

207-30-78060

COLLAR

6

207-30-78070

PIN

|$7

205-30-00052

ASSEMBLY, FLOATING SEAL

7

205-30-00150

ASSEMBLY, SEAL RING

|$9

NSS

RING

8

205-30-00061

ASSEMBLY, O-RING

|$11

NSS

O-RING

9

207-30-68060

O-RING

10

20Y-30-28340

PLUG

11

207-30-56190

BOLT

12

01643-32060

WASHER

13

207-30-81880

PLATE

14

01010-81245

BOLT

15

01643-31232

WASHER

Выбрано товаров: 19