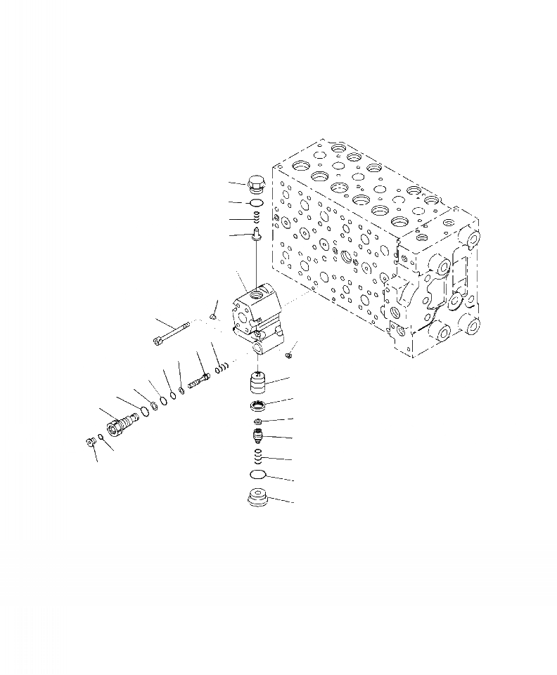
Запчасти Komatsu PC220LL-8 H-A ОСНОВН. УПРАВЛЯЮЩ. КЛАПАН СТРЕЛА HOLDING КЛАПАН ГИДРАВЛИКА

Схема запчастей Komatsu PC220LL-8 - H-A ОСНОВН. УПРАВЛЯЮЩ. КЛАПАН СТРЕЛА HOLDING КЛАПАН ГИДРАВЛИКА
11
12
10
9
1
23
24
23
22
21
18
17
15
2
16
14
3
13
5
4
20
6
19
8
7
FIT
1:1
100%

Артикул

Название

Примечание

Количество

|$1

723-40-82501

VALVE ASSEMBLY

1

NSS

BODY

2

NSS

VALVE

3

NSS

SEAL

4

723-40-82210

PLUG

5

723-40-82220

FILTER

6

723-40-82140

SPRING

7

723-40-82150

PLUG

8

07002-13334

O-RING

9

723-40-84420

VALVE, CHECK

10

723-40-84430

SPRING

11

723-40-84440

PLUG

12

07000-13024

O-RING

13

NSS

PLUG

14

07002-11823

O-RING

15

07000-12011

O-RING

16

07001-02011

RING, BACK-UP

17

07000-11010

O-RING

18

07001-01010

RING, BACK-UP

19

723-11-18190

PLUG

20

07002-11023

O-RING

21

NSS

PISTON

22

723-40-82290

SPRING

23

NSS

PLUG

24

01252-61075

BOLT

Выбрано товаров: 25