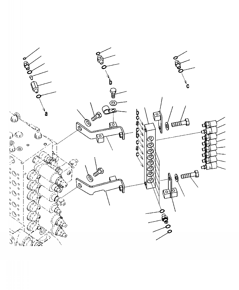
Запчасти Komatsu PC220LL-8 H8-A ГИДРОЛИНИЯ БЛОК ПЕРЕКЛЮЧЕНИЯ ДАВЛЕНИЯ ГИДРАВЛИКА

Схема запчастей Komatsu PC220LL-8 - H8-A ГИДРОЛИНИЯ БЛОК ПЕРЕКЛЮЧЕНИЯ ДАВЛЕНИЯ ГИДРАВЛИКА
13
10
16
12
8
15
9
14
17
6
7
29
11
23
26
30
21
20
1
27
28
19
18
19
19
19
26
19
24
27
19
18
20
21
25
5
22
2
4
3
FIT
1:1
100%

Артикул

Название

Примечание

Количество

1

20Y-62-51381

BLOCK

2

20Y-62-16630

NIPPLE

3

201-60-11390

O-RING

4

20Y-62-19560

O-RING

5

07002-11423

O-RING

|$5

20Y-60-32300

VALVE ASSEMBLY

6

20Y-62-41830

POPPET

7

NSS

BODY

8

21W-62-43930

NIPPLE

9

07002-11423

O-RING

10

02896-11008

O-RING

11

07002-11423

O-RING

12

11Y-62-12520

NIPPLE

13

02896-11009

O-RING

14

07002-11423

O-RING

15

11Y-62-12130

NIPPLE

16

02896-11008

O-RING

17

07002-11423

O-RING

18

206-06-61130

SWITCH, PRESSURE

19

7861-93-1840

SENSOR, PRESSURE SWITCH

20

01010-81265

BOLT

21

01643-31232

WASHER

22

20Y-62-51371

BRACKET

23

20Y-62-51411

BRACKET

24

20Y-62-51391

BRACKET

25

20Y-62-51352

BRACKET

26

01010-81635

BOLT

27

01643-31645

WASHER

28

04434-52112

CLIP

29

01010-81225

BOLT

30

01643-31232

WASHER

Выбрано товаров: 31