Запчасти Komatsu PC220LL-8 K9-A КАБИНА ЛЕВ. PPC РЫЧАГ OPERATOR\XD S ОБСТАНОВКА И СИСТЕМА УПРАВЛЕНИЯ

Схема запчастей Komatsu PC220LL-8 - K9-A КАБИНА ЛЕВ. PPC РЫЧАГ OPERATOR\XD S ОБСТАНОВКА И СИСТЕМА УПРАВЛЕНИЯ
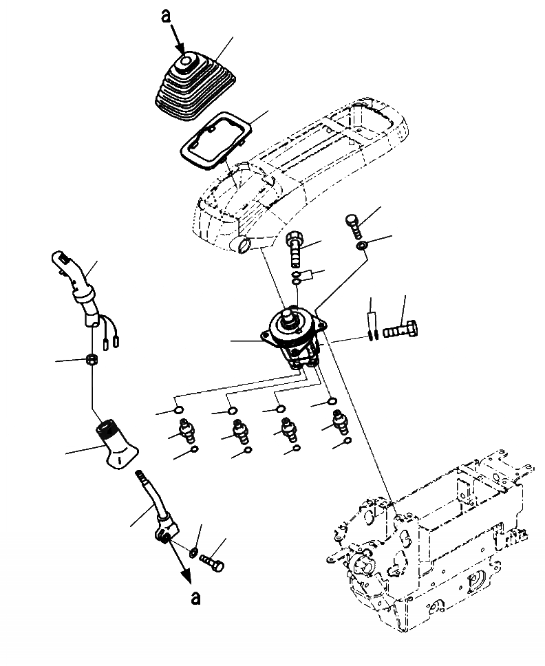
4
3
10
11
12
2
13
14
15
9
6
18
18
18
18
16
16
16
16
5
17
17
17
17
8
7
1
FIT
1:1
100%

Артикул

Название

Примечание

Количество

1

207-43-A1220

LEVER, L.H. - PPC

2

207-43-A1232

HANDLE, L.H. - PPC LEVER

3

20Y-43-22250

PLATE

4

20Y-43-22261

BOOT

5

20Y-43-22370

BOOT

6

600-411-1280

NUT

7

01252-41025

BOLT, MOUNT LEVER TO PPC VALVE

8

01643-51032

WASHER

10

01010-80820

BOLT

11

01643-30823

WASHER

12

20Y-62-18910

BOLT

13

07000-12018

O-RING

14

20Y-62-18890

BOLT

15

07000-12015

O-RING

16

11Y-62-12520

UNION

17

02896-11009

O-RING

18

07002-11423

O-RING

Выбрано товаров: 0