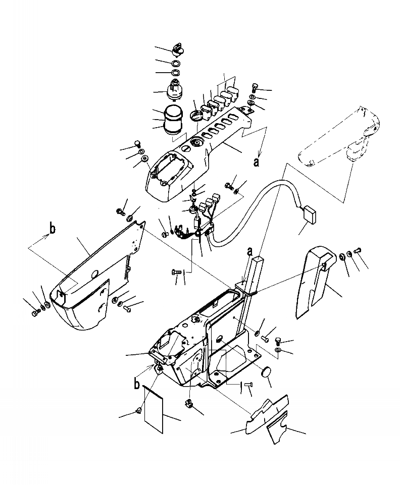
Запчасти Komatsu PC220LL-8 K-8A КАБИНА ПРАВ. КОНСОЛЬ OPERATOR\XD S ОБСТАНОВКА И СИСТЕМА УПРАВЛЕНИЯ

Схема запчастей Komatsu PC220LL-8 - K-8A КАБИНА ПРАВ. КОНСОЛЬ OPERATOR\XD S ОБСТАНОВКА И СИСТЕМА УПРАВЛЕНИЯ
26
28
36
27
34
9
35
26
33
10
30
11
29
30
9
7
10
42
11
43
31
31
17
18
32
38
31
39
12
37
41
44
20
21
18
22
16
18
15
14
19
13
24
23
2
3
1
25
24
23
40
6
5
8
4
45
46
FIT
1:1
100%

Артикул

Название

Примечание

Количество

1

20Y-43-41316

FRAME

2

01010-D1230

BOLT

3

01643-71232

WASHER, FLAT

4

20Y-43-41631

SHEET

5

22U-43-23251

SHEET

6

22U-43-23290

CLIP

7

20Y-43-41324

COVER

8

20Y-43-41661

SHEET

9

01010-80616

BOLT

10

01643-30623

WASHER

11

20Y-43-41290

COLLAR

12

20Y-43-41332

COVER

13

01245-00616

SCREW, HEXAGON SOCKET HEAD

14

01643-70623

WASHER

15

01010-80616

BOLT

16

01643-30623

WASHER

17

01435-00612

BOLT

18

20Y-43-41290

COLLAR

19

20Y-43-41353

COVER

20

01245-00616

SCREW, HEXAGON SOCKET HEAD

21

01643-70623

WASHER

22

20Y-43-41290

COLLAR

23

01245-00616

SCREW, HEXAGON SOCKET HEAD

24

01643-70623

WASHER

25

09415-02512

CAP

26

08086-20000

SWITCH, IGNITION

27

20Y-43-41740

PLATE

28

20Y-43-41750

WASHER

29

20Y-43-41671

SHEET

30

08034-20519

BAND

31

22U-06-22380

POTENTIOMETER

32

22U-06-22460

SPRING

33

20Y-43-41781

KNOB

34

20Y-06-42110

SWITCH, SWING LOCK

35

20Y-06-42121

SWITCH, LIGHT

36

20Y-06-42190

COVER

37

20Y-06-41130

HARNESS, R.H. CONSOLE

38

01023-10508

SCREW

39

01601-20513

WASHER, SPRING

40

22U-43-23260

CLIP

41

04434-51710

CLIP

42

01010-81016

BOLT

43

01643-31032

WASHER

44

04434-51410

CLIP

45

01010-81016

BOLT

46

01643-31032

WASHER

Выбрано товаров: 46