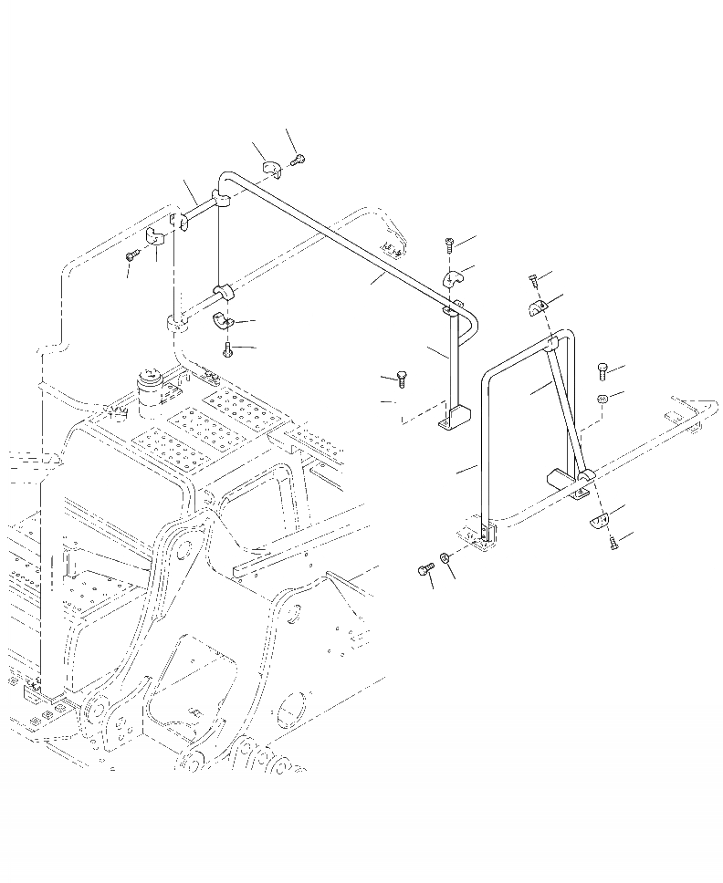
Запчасти Komatsu PC220LL-8 M-A ПОРУЧНИS, ЗАДН. ENTRY ЧАСТИ КОРПУСА

Схема запчастей Komatsu PC220LL-8 - M-A ПОРУЧНИS, ЗАДН. ENTRY ЧАСТИ КОРПУСА
10
9
8
13
12
4
9
3
10
5
6
11
7
14
14
15
2
15
9
1
3
4
15
14
FIT
1:1
100%

Артикул

Название

Примечание

Количество

1

206-54-A3530

RAIL, HAND

2

207-54-A6940

RAIL, HAND

3

20Y-54-61630

CLAMP, RAILS

4

01252-71030

BOLT

5

206-54-A3540

RAIL, HAND

6

20Y-54-61630

CLAMP, RAILS

7

01252-71030

BOLT

8

207-54-A8140

RAIL, HAND

9

20Y-54-61630

CLAMP, RAILS

10

01252-71030

BOLT

11

206-54-A3550

RAIL, HAND

12

20Y-54-61630

CLAMP, RAILS

13

01252-71030

BOLT

14

01010-81240

BOLT

15

01643-31232

WASHER

Выбрано товаров: 0