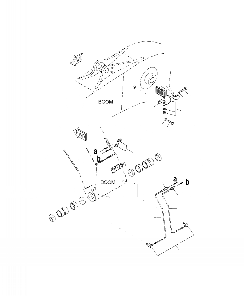
Запчасти Komatsu PC220LL-8 T-8A СТРЕЛА УСИЛ. С ЛАМПА РАБОЧ. ОСВЕЩЕНИЯ И СТРЕЛА FOOT СМАЗКА РАБОЧЕЕ ОБОРУДОВАНИЕ

Схема запчастей Komatsu PC220LL-8 - T-8A СТРЕЛА УСИЛ. С ЛАМПА РАБОЧ. ОСВЕЩЕНИЯ И СТРЕЛА FOOT СМАЗКА РАБОЧЕЕ ОБОРУДОВАНИЕ
5
3
4
2
1
7
6
8
9
9
11
10
12
FIT
1:1
100%

Артикул

Название

Примечание

Количество

1

21T-06-32810

LIGHT ASSEMBLY, WORKING

|$1

421-06-23330

BULB, 70 W

2

20Y-06-21551

BRACKET

3

01010-81220

BOLT

4

01643-31232

WASHER

5

08193-21012

CLIP

6

01010-81230

BOLT

7

01643-31232

WASHER

8

07020-00000

FITTING, GREASE

9

20Y-70-11540

CONNECTOR

10

206-70-71250

TUBE

11

206-70-71260

TUBE

12

20Y-25-11270

ELBOW

Выбрано товаров: 13