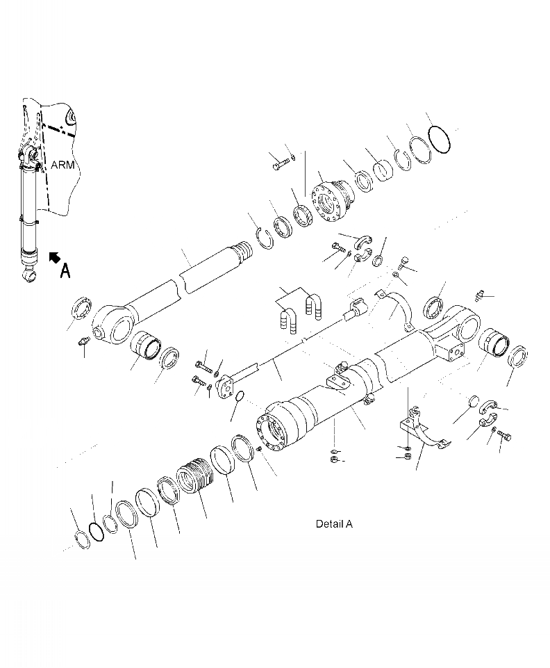
Запчасти Komatsu PC220LL-8 T-A ЦИЛИНДР КОВША РАБОЧЕЕ ОБОРУДОВАНИЕ

Схема запчастей Komatsu PC220LL-8 - T-A ЦИЛИНДР КОВША РАБОЧЕЕ ОБОРУДОВАНИЕ
13
14
11
17
10
16
15
7
12
9
8
40
41
4
42
3
35
43
37
41
36
34
6
28
29
25
5
2
27
6
3
30
41
31
32
40
1
39
41
39
43
38
42
38
22
33
24
23
21
22
20
18
19
20
21
26
FIT
1:1
100%

Артикул

Название

Примечание

Количество

|$0

707-01-0H920

CYLINDER ASSEMBLY

1

707-13-13880

CYLINDER

2

707-76-80431

BUSHING

3

07145-00080

SEAL, DUST

4

707-58-90E60

ROD, PISTON

5

707-76-80020

BUSHING

6

20Y-70-23230

SEAL, DUST

7

707-27-13750

CYLINDER HEAD

8

07179-13104

RING, SNAP

9

195-63-94170

SEAL, DUST

10

707-52-90680

BUSHING

11

707-75-90110

RING, SNAP

12

707-51-90030

PACKING

13

07000-15120

O-RING

14

707-35-91320

RING, BACK-UP

15

707-51-90650

RING

16

01010-61875

BOLT

17

707-41-11840

WASHER

18

707-36-13780

PISTON

19

707-44-13150

RING, PISTON

20

707-39-13150

RING, WEAR

21

707-44-13911

RING

22

707-35-90940

RING, BACK-UP

23

07000-15080

O-RING

24

01310-01216

SCREW

25

07020-00000

FITTING, GREASE

26

07020-00000

FITTING, GREASE

27

707-86-67820

TUBE

28

07372-21060

BOLT

29

01643-51032

WASHER

30

07372-21045

BOLT

31

01643-51032

WASHER

32

07000-13030

O-RING

33

707-88-22640

BRACKET

34

707-88-21331

BAND

35

07372-21035

BOLT

36

01643-51032

WASHER

37

07283-32738

CLIP, PIPE

38

01597-01009

NUT

39

01643-31032

WASHER

40

707-88-33030

CAP

41

07371-30640

FLANGE, SPLIT

42

07372-21035

BOLT

43

01643-51032

WASHER

|$47

707-98-47720

SERVICE KIT, BUCKET CYLINDER

Выбрано товаров: 45