Качественные детали и логистика
Оригинальные и аналоговые запчасти с доставкой по России, Казахстану и Беларуси
©2022 PartSell ООО "Система" ИНН 2463123282 ОГРН 1212400004838
Центральный офис: г. Красноярск, Академика Киренского, д.87, пом.4
Телефон: 8 (800) 777-65-74 Email: zakaz@partsell.ru
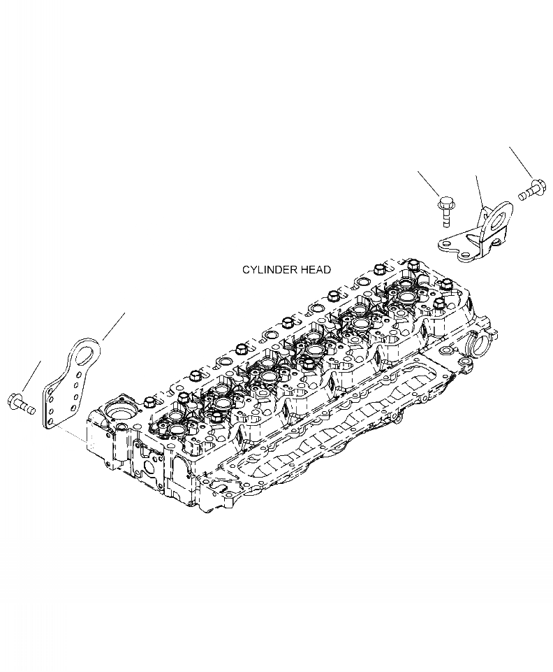
A89-AA ДВИГАТЕЛЬ ПОДЪЕМ КОРПУС
№
Артикул
Название
Примечание
Количество
1
6754-11-1710
BRACKET, FRONT
2
6754-11-1940
BRACKET, REAR
3
6735-71-3220
BOLT (M10-1.50x25)
4
6754-11-4130
BOLT
5
6732-61-3140
BOLT (M10-1.50x20)
N/I
6754-11-1960
BRACKET
Выбрано товаров: 0