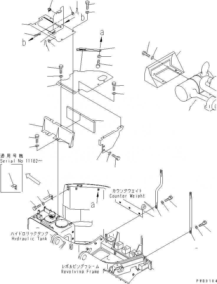
Запчасти Komatsu PC228US-1 КАПОТ (КАПОТ) (/) ( АКТУАТОР) ЧАСТИ КОРПУСА

Схема запчастей Komatsu PC228US-1 - КАПОТ (КАПОТ) (/) ( АКТУАТОР) ЧАСТИ КОРПУСА
1
2
3
3
4
4
5
6
6
7
7
8
9
10
11
11
12
13
14
15
16
17
18
18
19
19
20
21
22
23
24
25
26
27
28
29
30
31
FIT
1:1
100%

Артикул

Название

Примечание

Количество

1

22U-54-11811

STAY

2

22U-54-11821

STAY

3

01010-81240

BOLT

4

01643-31232

WASHER

5

22U-54-12551

COVER

6

01010-81230

BOLT

7

175-54-34170

WASHER

8

22U-54-11463

FRAME

9

01010-81230

BOLT

10

01643-31232

WASHER

11

22U-54-11572

BRACKET

|11

22U-54-11573

BRACKET

12

01010-81225

BOLT

13

175-54-34170

WASHER

14

22U-54-11424

COVER

15

20N-54-11160

HINGE (WELDED)

16

205-60-71220

LOCK ASS'Y

17

203-54-56630

ROD

18

01643-30623

WASHER

19

04050-11612

PIN

20

01010-81230

BOLT

21

175-54-34170

WASHER

|22

22U-54-12451

COVER

22

BRACKET

23

22U-54-12690

SHEET

24

01010-81225

BOLT

25

01643-31232

WASHER

26

22U-54-11383

COVER

27

01010-81230

BOLT

28

01643-31232

WASHER

29

22U-54-11581

COVER

30

01010-81225

BOLT

31

01643-31232

WASHER

Выбрано товаров: 33