Запчасти Komatsu PC228US-1T ДЕМПФЕР И НАСОС(№79-) КОМПОНЕНТЫ ДВИГАТЕЛЯ

Схема запчастей Komatsu PC228US-1T - ДЕМПФЕР И НАСОС(№79-) КОМПОНЕНТЫ ДВИГАТЕЛЯ
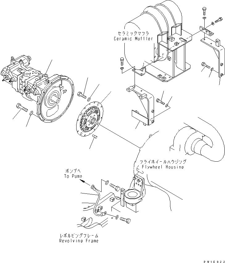
1
2
3
4
5
6
7
8
9
10
10
11
11
12
FIT
1:1
100%

Артикул

Название

Примечание

Количество

1

20Y-01-11112

DAMPER

2

203-01-51120

PIN

3

01010-81020

BOLT

4

01643-31032

WASHER

5

08028-43030

CABLE, GROUND

6

01010-81040

BOLT

7

01643-31032

WASHER

8

22U-01-11250

BRACKET

9

22U-01-11260

BRACKET

10

01010-81065

BOLT

11

01643-31032

WASHER

12

708-2L-00413

PUMP ASS'Y

Выбрано товаров: 12