Запчасти Komatsu PC228US-2 ЛИНИЯ ПОВОРОТА ГИДРАВЛИКА

Схема запчастей Komatsu PC228US-2 - ЛИНИЯ ПОВОРОТА ГИДРАВЛИКА
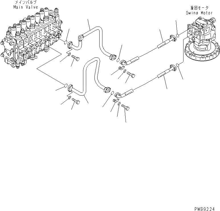
1
2
3
4
5
6
7
8
9
10
10
11
12
12
13
13
14
14
15
15
FIT
1:1
100%

Артикул

Название

Примечание

Количество

1

22U-62-11164

TUBE

2

22U-62-11173

TUBE

3

21T-09-11450

O-RING

4

07372-21035

BOLT

5

01643-51032

WASHER

6

21T-09-11450

O-RING

7

07372-21035

BOLT

8

01643-51032

WASHER

9

22U-62-13961

HOSE

10

07000-13025

O-RING

11

22U-62-13951

HOSE

12

07000-13025

O-RING

13

07371-30640

FLANGE

14

07372-21035

BOLT

15

01643-51032

WASHER

Выбрано товаров: 15