Запчасти Komatsu PC228US-2 ОСНОВН. КОНСТРУКЦИЯ (РЫЧАГ И ТРУБЫ) (ЛЕВ.) КАБИНА ОПЕРАТОРА И СИСТЕМА УПРАВЛЕНИЯ

Схема запчастей Komatsu PC228US-2 - ОСНОВН. КОНСТРУКЦИЯ (РЫЧАГ И ТРУБЫ) (ЛЕВ.) КАБИНА ОПЕРАТОРА И СИСТЕМА УПРАВЛЕНИЯ
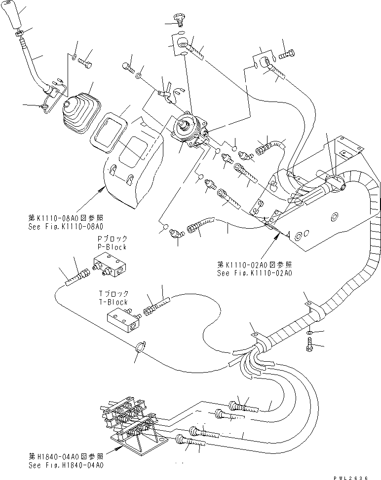
1
2
3
4
5
6
7
8
9
10
11
12
13
13
13
13
14
14
15
15
16
16
17
17
18
18
18
18
19
19
20
20
20
20
21
21
22
23
24
24
25
25
26
26
27
27
27
27
28
28
29
29
30
31
FIT
1:1
100%

Артикул

Название

Примечание

Количество

1

201-972-7180

LEVER,L.H.

2

114-06-48542

SWITCH¤ KNOB

3

20T-43-71190

NUT

4

01010-81030

BOLT

5

01643-31032

WASHER

6

20T-43-71160

BOOT

7

20T-43-71360

PLATE

8

08034-30521

BAND

9

08053-01510

CLIP

10

702-16-01051

PILOT VALVE

11

01010-80820

BOLT

12

01643-30823

WASHER

13

20Y-62-25521

HOSE¤ 1400MM

14

201-62-71231

HOSE¤ 1450MM

15

203-62-66240

HOSE

16

21Y-62-13160

HOSE

17

22U-62-12641

HOSE¤ 1970MM

18

20Y-62-22790

BAND¤ RED,RED

19

20Y-62-22810

BAND¤ YELLOW,YELLOW

20

20Y-62-22820

BAND¤ BLUE,BLUE

21

20Y-62-22840

BAND¤ BLACK,BLACK

22

702-16-53240

PLUG

23

203-62-57730

BOLT

24

07000-12018

O-RING

25

07230-20210

UNION

26

07236-10210

ELBOW

27

07002-11423

O-RING

28

08034-00536

BAND

29

113-899-7950

CLIP

30

01010-81020

BOLT

31

01643-31032

WASHER

Выбрано товаров: 31