Запчасти Komatsu PC228US-2 КАПОТ (КАПОТ) (/) ЧАСТИ КОРПУСА

Схема запчастей Komatsu PC228US-2 - КАПОТ (КАПОТ) (/) ЧАСТИ КОРПУСА
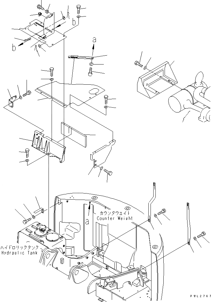
1
2
3
3
4
4
5
6
6
7
7
8
9
10
11
12
13
14
15
16
17
18
19
20
20
21
21
22
23
24
25
26
27
28
29
30
31
32
33
34
35
36
FIT
1:1
100%

Артикул

Название

Примечание

Количество

1

22U-54-11811

STAY

2

22U-54-17630

STAY

3

01010-81240

BOLT

4

01643-31232

WASHER

5

22U-54-17860

COVER

6

01010-81230

BOLT

7

175-54-34170

WASHER

8

22U-54-11463

FRAME

9

01010-81230

BOLT

10

01643-31232

WASHER

11

22U-54-17680

BRACKET

12

01010-81225

BOLT

13

175-54-34170

WASHER

14

22U-54-17470

COVER

15

20N-54-11160

HINGE (WELDED)

16

205-60-71220

LOCK ASS'Y

17

203-54-56630

ROD

18

20R-54-11460

SPRING

19

01023-10406

SCREW

20

01643-30623

WASHER

21

04050-11612

PIN

22

01010-81230

BOLT

23

175-54-34170

WASHER

|24

22U-54-17480

BRACKET

24

BRACKET

25

22U-54-17610

SHEET

26

01010-81225

BOLT

27

01643-31232

WASHER

28

22U-54-17461

BRACKET

29

01010-81230

BOLT

30

175-54-34170

WASHER

31

22U-54-11383

COVER

32

01010-81230

BOLT

33

01643-31232

WASHER

34

22U-54-17360

COVER

35

01010-81225

BOLT

36

01643-31232

WASHER

Выбрано товаров: 37