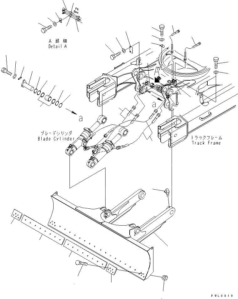
Запчасти Komatsu PC228US-2 ОТВАЛ РАБОЧЕЕ ОБОРУДОВАНИЕ

Схема запчастей Komatsu PC228US-2 - ОТВАЛ РАБОЧЕЕ ОБОРУДОВАНИЕ
1
2
3
4
5
5
6
6
7
8
9
10
11
12
13
13
14
14
15
15
16
16
17
17
18
19
20
21
21
22
22
22
23
23
24
24
25
26
27
28
28
FIT
1:1
100%

Артикул

Название

Примечание

Количество

1

22U-71-11122

BLADE ASS'Y

2

707-76-90270

BUSHING

3

07145-00090

SEAL

4

07020-00900

FITTING

5

130-Z20-1510

EDGE

6

22U-71-11130

CUTTING EDGE

7

02090-11270

BOLT

8

02290-11219

NUT

9

207-70-31210

PIN

10

01010-81235

BOLT

11

01643-31232

WASHER

12

205-70-66580

PLATE

13

207-70-24190

SPACER¤ 0.8MM

14

207-70-24210

SPACER¤ 1.5MM

15

07096-00506

HOSE

16

22U-62-14760

TUBE

17

22U-62-14770

TUBE

18

22U-71-81490

BRACKET

19

01010-81235

BOLT

20

01643-31232

WASHER

21

203-70-53381

PLATE

22

203-62-58810

CUSHION

23

01010-81025

BOLT

24

01643-31032

WASHER

25

22U-71-81540

COVER

26

01010-81220

BOLT

27

01643-31232

WASHER

28

07096-20509

HOSE

Выбрано товаров: 28