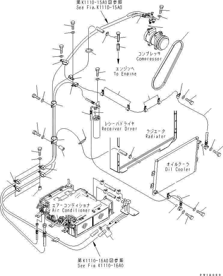
Запчасти Komatsu PC228US-3-AB КОНДИЦ. ВОЗДУХА (ШЛАНГИ)(№-) КАБИНА ОПЕРАТОРА И СИСТЕМА УПРАВЛЕНИЯ

Схема запчастей Komatsu PC228US-3-AB - КОНДИЦ. ВОЗДУХА (ШЛАНГИ)(№-) КАБИНА ОПЕРАТОРА И СИСТЕМА УПРАВЛЕНИЯ
1
1
1A
1A
2
3
4
5
6
6
6A
6B
7
8
9
10
11
12
12
12
13
14
15
15
15
15
16
16
16
16
17
18
19
19
20
21
22
23
24
25
26
27
28
29
30
30
30
31
32
32
33
33A
34
FIT
1:1
100%

Артикул

Название

Примечание

Количество

1

22U-979-2242

HOSE

|1

22U-979-2241

HOSE

1A

TW581520-9800

O-RING

2

01050-51045

BOLT

3

01643-31032

WASHER

4

01010-80830

BOLT

5

01643-30823

WASHER

6

22U-979-2252

HOSE

|6

22U-979-2251

HOSE

6A

TW581520-9700

O-RING

6B

TW581520-9800

O-RING

7

01010-80830

BOLT

8

01643-30823

WASHER

9

01010-80630

BOLT

10

01643-30623

WASHER

11

04435-52112

CLIP

|11

04435-51912

CLIP

12

04434-52312

CLIP

|12

04434-51912

CLIP

13

176-911-4180

CLIP

|13

176-911-4170

CLIP

14

04434-51412

CLIP

|14

04434-51612

CLIP

15

01010-81225

BOLT

16

01643-31232

WASHER

17

20Y-62-15951

CLIP

18

21T-06-11950

CLIP

19

04435-52112

CLIP

20

175-40-22540

SPACER

21

195-33-11220

SPACER

22

01010-81225

BOLT

23

01643-31232

WASHER

24

01010-81250

BOLT

25

01643-31232

WASHER

26

01010-81275

BOLT

27

01643-31232

WASHER

28

09482-50000

VALVE

|28

203-977-4130

VALVE

29

6732-11-6130

ADAPTER

30

11Y-09-11160

CLIP

|30

09480-10100

CLAMP

31

04434-52112

CLIP

32

04435-52112

CLIP

33

08034-00519

BAND

33A

08034-20536

BAND

34

04120-21746

V-BELT

Выбрано товаров: 46