Запчасти Komatsu PC228US-3-AG ОСНОВН. КОНСТРУКЦИЯ (ШЛАНГИ ОБОГРЕВАТЕЛЯ И КРЕПЛЕНИЕ)(№-) КАБИНА ОПЕРАТОРА И СИСТЕМА УПРАВЛЕНИЯ

Схема запчастей Komatsu PC228US-3-AG - ОСНОВН. КОНСТРУКЦИЯ (ШЛАНГИ ОБОГРЕВАТЕЛЯ И КРЕПЛЕНИЕ)(№-) КАБИНА ОПЕРАТОРА И СИСТЕМА УПРАВЛЕНИЯ
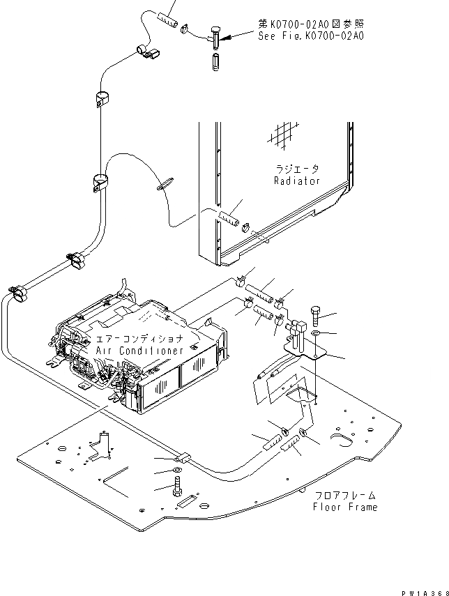
1
2
3
4
5
6
6
6
6
7
7
8
8
9
9
10
11
12
FIT
1:1
100%

Артикул

Название

Примечание

Количество

1

22U-979-1910

TUBE

2

01010-D1025

BOLT

3

01643-71032

WASHER

4

09483-00501

HOSE

5

22U-979-1920

HOSE

|5

09483-00502

HOSE

6

09479-02400

CLAMP

7

09483-00430

HOSE

8

09483-00432

HOSE

9

09480-10100

CLAMP

|9

07280-02523

CLAMP

10

141-06-11220

CLIP

11

01010-81016

BOLT

|11

01010-81020

BOLT

12

01643-31032

WASHER

Выбрано товаров: 15