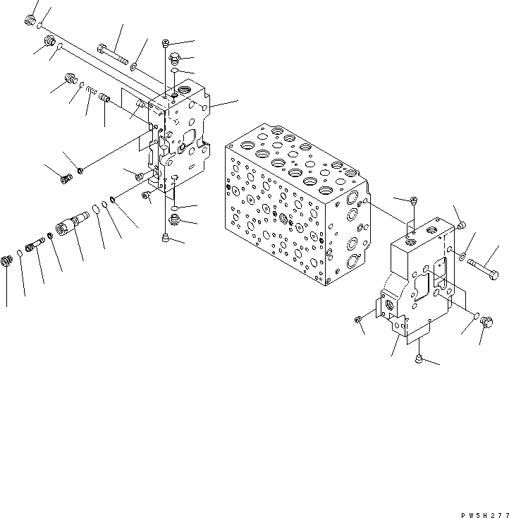
Запчасти Komatsu PC228US-3 ОСНОВН. КЛАПАН (7/)(№-) ОСНОВН. КОМПОНЕНТЫ И РЕМКОМПЛЕКТЫ

Схема запчастей Komatsu PC228US-3 - ОСНОВН. КЛАПАН (7/)(№-) ОСНОВН. КОМПОНЕНТЫ И РЕМКОМПЛЕКТЫ
1
2
2
2
2
3
4
5
5
5
5
6
6
6
6
7
7
7
7
8
9
10
11
12
13
14
15
16
17
18
19
20
21
22
23
24
25
25
26
FIT
1:1
100%

Артикул

Название

Примечание

Количество

|$4

723-46-20104

VALVE ASS'Y

|$5

723-46-20103

VALVE ASS'Y

|$6

723-46-20102

VALVE ASS'Y

|$7

723-46-20101

VALVE ASS'Y

|$9

723-46-00750

COVER ASS'Y

1

COVER

2

PLUG

3

PLUG

|$13

723-46-00742

COVER ASS'Y

|$14

723-46-00741

COVER ASS'Y

|$15

723-46-00740

COVER ASS'Y

4

COVER

4

COVER

4

COVER

5

PLUG

6

723-46-15180

PLUG

7

07002-11823

O-RING

8

708-8H-11530

PLUG

9

07002-11423

O-RING

|$24

723-46-17600

PLUG ASS'Y

10

723-46-17610

SLEEVE

11

723-46-17640

PLUG

12

702-21-55760

FILTER

13

07002-11423

O-RING

14

07000-11007

O-RING

15

07001-01007

RING,BACK-UP

16

708-8E-16160

PLUG

17

07002-11023

O-RING

18

FILTER

19

723-46-17550

PLUG

20

723-46-15190

VALVE

21

723-46-14140

SPRING

22

708-8E-16160

PLUG

23

07002-11023

O-RING

24

01010-61490

BOLT

25

01643-31445

WASHER

26

01010-61490

BOLT

Выбрано товаров: 37