Запчасти Komatsu PC228US-3 ОСНОВН. КОНСТРУКЦИЯ (ОСНОВ.) (СПЕЦИФ-Я С ОТВАЛОМ) (ДЛЯ ЕС) КАБИНА ОПЕРАТОРА И СИСТЕМА УПРАВЛЕНИЯ

Схема запчастей Komatsu PC228US-3 - ОСНОВН. КОНСТРУКЦИЯ (ОСНОВ.) (СПЕЦИФ-Я С ОТВАЛОМ) (ДЛЯ ЕС) КАБИНА ОПЕРАТОРА И СИСТЕМА УПРАВЛЕНИЯ
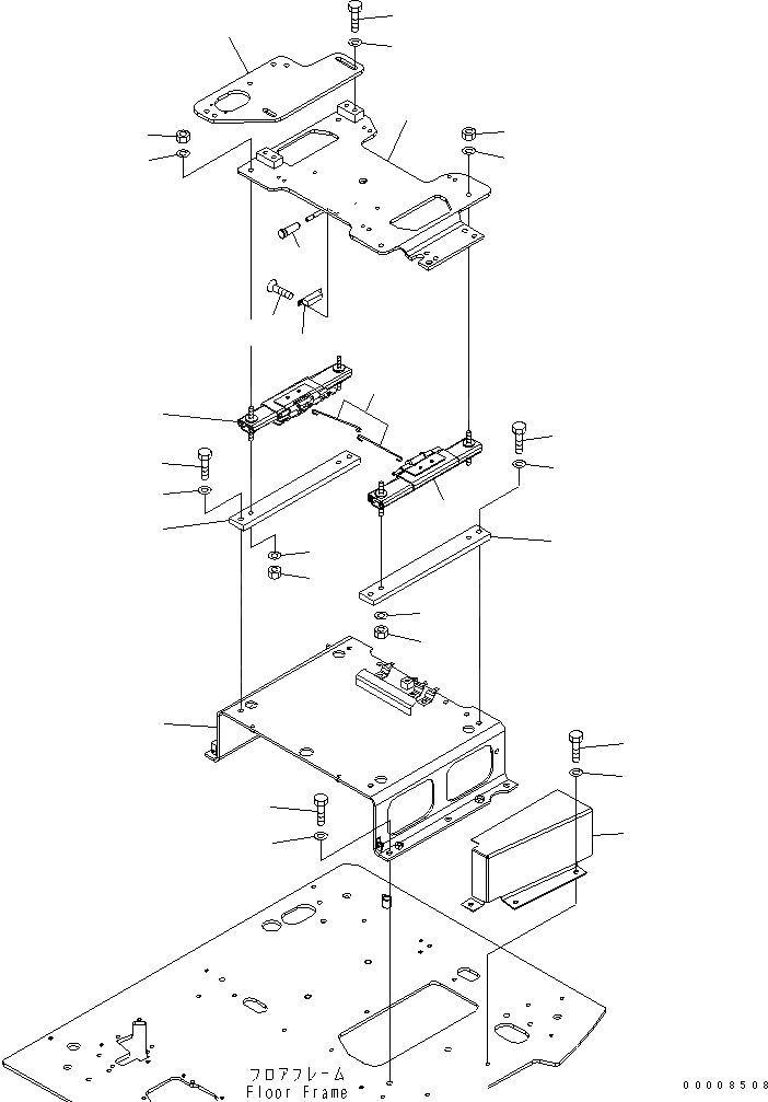
1
2
3
4
4
5
5
6
6
7
8
9
10
11
12
13
14
15
16
16
17
17
18
19
20
21
22
23
24
25
FIT
1:1
100%

Артикул

Название

Примечание

Количество

1

22U-43-21223

BRACKET

2

01010-D1235

BOLT

3

01643-71232

WASHER

4

20Y-43-31131

PLATE

5

01010-D1035

BOLT

6

01643-71032

WASHER

7

22U-43-21242

ADJUSTER

7

22U-43-21241

ADJUSTER

8

20Y-54-65340

NUT

9

01643-71032

WASHER

10

22U-43-21252

ADJUSTER

10

22U-43-21251

ADJUSTER

11

20Y-54-65340

NUT

12

01643-71032

WASHER

13

22U-43-21260

WIRE

14

20Y-54-43150

KNOB

15

22U-43-21281

FRAME

16

20Y-54-65340

NUT

17

01643-71032

WASHER

18

09452-06506

CATCHER

19

01224-40410

SCREW

20

22U-43-21291

FRAME

21

01010-D1230

BOLT

22

22U-54-25170

WASHER

23

22U-43-21334

COVER

24

01010-D1020

BOLT

25

01643-71032

WASHER

Выбрано товаров: 27