Запчасти Komatsu PC228US-3 ОСНОВН. КОНСТРУКЦИЯ (БЛОК КОНДИЦИОНЕРА И ШЛАНГИ) (АВТОМАТИЧ. КОНДИЦ. ВОЗДУХА) КАБИНА ОПЕРАТОРА И СИСТЕМА УПРАВЛЕНИЯ

Схема запчастей Komatsu PC228US-3 - ОСНОВН. КОНСТРУКЦИЯ (БЛОК КОНДИЦИОНЕРА И ШЛАНГИ) (АВТОМАТИЧ. КОНДИЦ. ВОЗДУХА) КАБИНА ОПЕРАТОРА И СИСТЕМА УПРАВЛЕНИЯ
1
2
3
4
5
6
7
8
8
9
9
FIT
1:1
100%

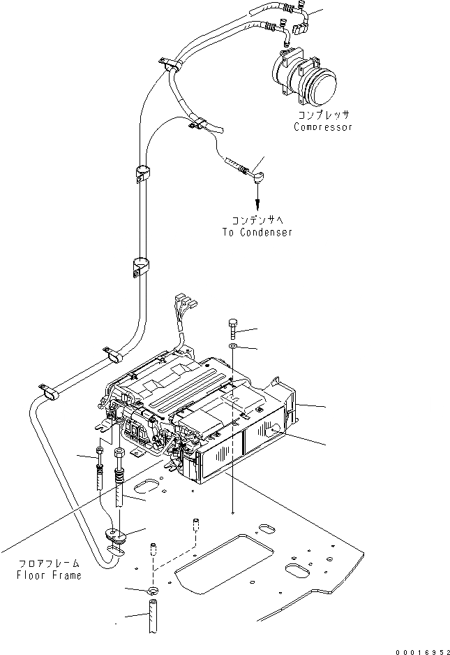
Артикул

Название

Примечание

Количество

1

22U-979-1730

AIR CONDITIONER A.

2

22B-979-1730

FILTER

3

01010-D1020

BOLT

4

01643-71032

WASHER

5

22U-54-25571

GROMMET

6

22B-979-1860

HOSE

7

07280-02523

CLAMP

8

22U-979-2263

HOSE

9

22U-979-2273

HOSE

Выбрано товаров: 9