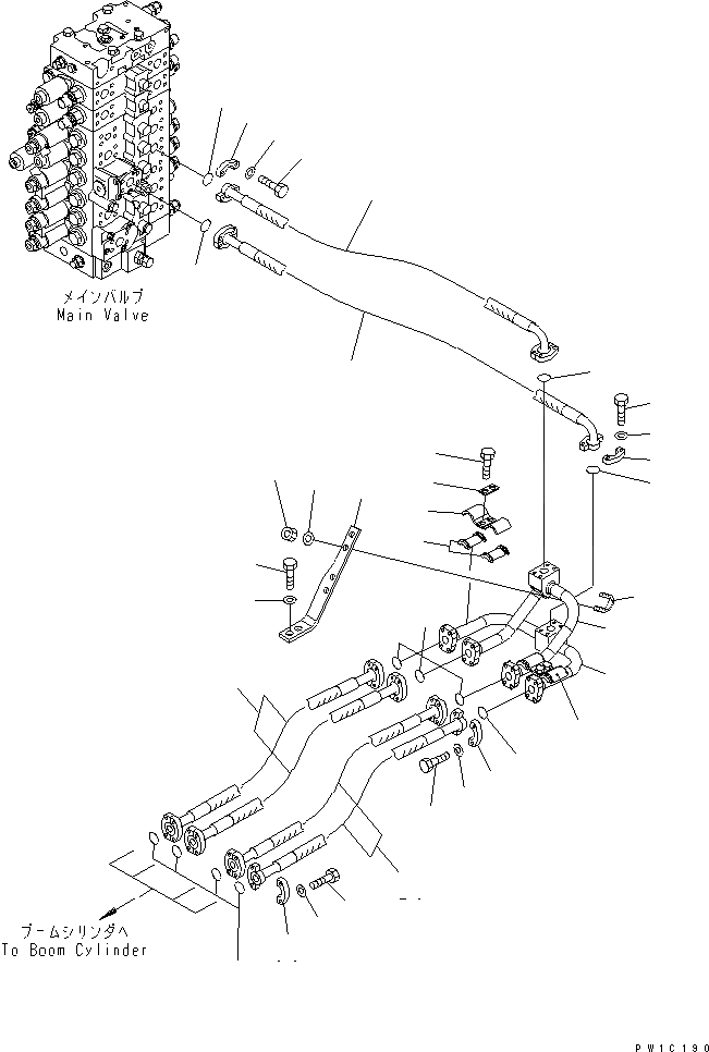
Запчасти Komatsu PC228US-3-YA ГИДРОЛИНИЯ СТРЕЛЫ (С 2-СЕКЦИОНН. СТРЕЛА)(№-) ГИДРАВЛИКА

Схема запчастей Komatsu PC228US-3-YA - ГИДРОЛИНИЯ СТРЕЛЫ (С 2-СЕКЦИОНН. СТРЕЛА)(№-) ГИДРАВЛИКА
1
2
3
4
5
6
7
8
9
10
11
12
13
14
15
15
16
17
18
19
20
21
22
23
24
25
25
26
26
26
27
28
29
30
31
32
FIT
1:1
100%

Артикул

Название

Примечание

Количество

1

22U-62-22141

HOSE

2

07000-13025

O-RING

3

21T-09-11460

O-RING

4

22U-62-22150

HOSE

5

07000-13025

O-RING

6

21T-09-11460

O-RING

7

07371-30640

FLANGE

8

07372-21035

BOLT

9

01643-51032

WASHER

10

07371-31049

FLANGE

11

07372-21035

BOLT

12

01643-51032

WASHER

13

22U-62-21361

TUBE

14

22U-62-21371

TUBE

15

20Y-62-13230

CLAMP

16

20Y-62-13760

SEAT

17

01010-81235

BOLT

18

20Y-62-13450

PLATE

19

22U-62-21411

PLATE

20

07283-32738

CLIP

21

01597-01009

NUT

22

01643-31032

WASHER

23

01010-81230

BOLT

24

01643-31232

WASHER

25

07085-00609

HOSE

26

07000-13025

O-RING

27

07371-30640

FLANGE

28

07372-21035

BOLT

29

01643-51032

WASHER

30

07371-30640

FLANGE

31

07372-21035

BOLT

32

01643-51032

WASHER

Выбрано товаров: 32