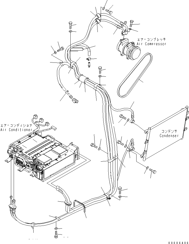
Запчасти Komatsu PC228US-3E0 КОНДИЦ. ВОЗДУХА (ШЛАНГИ) КАБИНА ОПЕРАТОРА И СИСТЕМА УПРАВЛЕНИЯ

Схема запчастей Komatsu PC228US-3E0 - КОНДИЦ. ВОЗДУХА (ШЛАНГИ) КАБИНА ОПЕРАТОРА И СИСТЕМА УПРАВЛЕНИЯ
1
1
2
3
4
5
6
7
8
9
10
11
12
13
14
15
16
17
18
19
20
21
22
23
24
25
26
27
28
29
30
31
31A
32
32
33
34
35
36
37
38
39
39
40
40
41
42
43
44
FIT
1:1
100%

Артикул

Название

Примечание

Количество

1

22U-979-2721

HOSE

2

01050-51045

BOLT

3

01643-31032

WASHER

4

01010-80840

BOLT

5

01643-30823

WASHER

6

01010-80840

BOLT

7

01643-30823

WASHER

8

04434-52512

CLIP

9

198-06-53560

CUSHION

10

04434-53212

CLIP

11

198-06-53590

BUSHING

12

01010-81225

BOLT

13

01643-31232

WASHER

14

176-911-4170

CLIP

15

01010-81225

BOLT

16

01643-31232

WASHER

17

176-911-4180

CLIP

18

01010-81225

BOLT

19

01643-31232

WASHER

20

04434-52712

CLIP

21

01010-81225

BOLT

22

01643-31232

WASHER

23

04434-51912

CLIP

24

01010-81225

BOLT

25

01643-31232

WASHER

26

04435-51912

CLIP

27

01010-81225

BOLT

28

01643-31232

WASHER

29

04435-51812

CLIP

30

01010-81225

BOLT

31

01643-31232

WASHER

31A

134-03-61410

BAND

32

11Y-09-11160

CLIP

33

134-03-61410

BAND

34

04434-52112

CLIP

35

01010-81225

BOLT

36

01643-31232

WASHER

37

04435-52212

CLIP

38

22U-979-2780

COVER

39

08034-20536

BAND

40

203-979-7170

CLIP

41

04435-52212

CLIP

42

22U-979-2420

GROMMET

43

22U-979-2430

GROMMET

44

04120-21747

V-BELT

Выбрано товаров: 45