Качественные детали и логистика
Оригинальные и аналоговые запчасти с доставкой по России, Казахстану и Беларуси
©2022 PartSell ООО "Система" ИНН 2463123282 ОГРН 1212400004838
Центральный офис: г. Красноярск, Академика Киренского, д.87, пом.4
Телефон: 8 (800) 777-65-74 Email: zakaz@partsell.ru
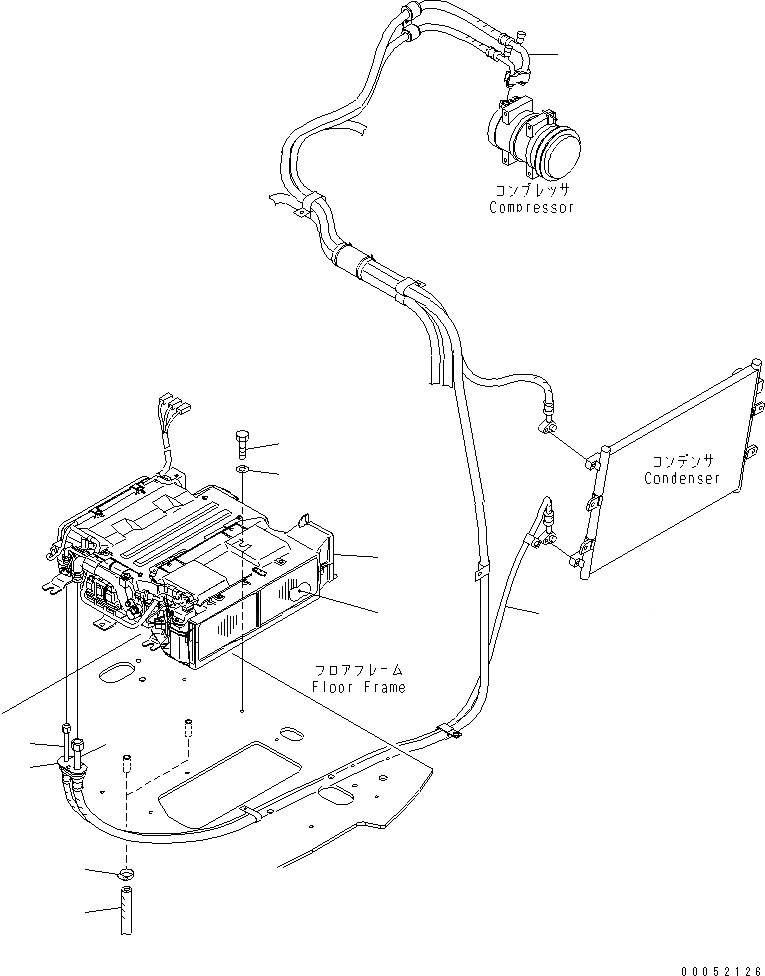
ОСНОВН. КОНСТРУКЦИЯ (БЛОК КОНДИЦИОНЕРА И ШЛАНГИ)
№
Артикул
Название
Примечание
Количество
1
22U-979-1720
AIR CONDITIONER A.
2
22B-979-1730
FILTER
3
01010-D1020
BOLT
4
01643-71032
WASHER
5
22U-54-25571
GROMMET
6
22B-979-1861
HOSE
7
07280-02523
CLAMP
8
22U-979-2741
9
22U-979-2731
Выбрано товаров: 0