Запчасти Komatsu PC228US-3E0 СТРЕЛА (.7M) (ЦИЛИНДР КОВША) РАБОЧЕЕ ОБОРУДОВАНИЕ

Схема запчастей Komatsu PC228US-3E0 - СТРЕЛА (.7M) (ЦИЛИНДР КОВША) РАБОЧЕЕ ОБОРУДОВАНИЕ
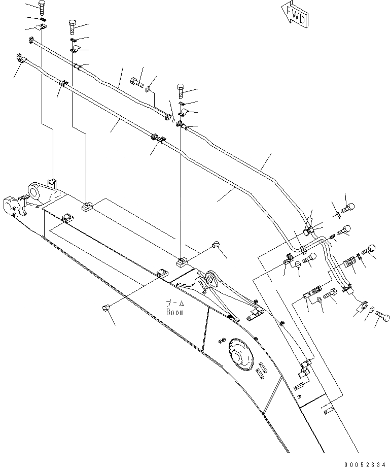
1
2
3
4
5
6
7
8
9
10
11
12
13
14
15
16
17
18
19
20
21
22
23
24
25
26
27
27
28
28
28
28
29
29
30
30
30
31
31
31
32
32
FIT
1:1
100%

Артикул

Название

Примечание

Количество

1

22U-62-27781

TUBE

2

22U-62-27791

TUBE

3

07371-30640

FLANGE

4

07372-21035

BOLT

5

01643-51032

WASHER

6

22U-62-23180

BRACKET

7

01010-81230

BOLT

8

01643-31232

WASHER

9

20Y-62-13710

CLAMP

10

20Y-62-13450

PLATE

11

01010-81230

BOLT

12

22U-62-23190

BRACKET

13

01010-81225

BOLT

14

01643-31232

WASHER

15

20Y-62-13650

CLAMP

16

01010-81230

BOLT

17

20Y-62-13450

PLATE

18

20Y-62-13190

CLAMP

19

01010-81230

BOLT

20

20Y-62-13450

PLATE

21

20Y-62-13761

SEAT

22

20Y-62-52651

TUBE

23

20Y-62-52661

TUBE

24

07000-13030

O-RING

25

07372-21035

BOLT

26

01643-51032

WASHER

27

20Y-62-13650

CLAMP

28

20Y-62-13180

CLAMP

29

20Y-62-13761

SEAT

30

20Y-62-13450

PLATE

31

01010-81230

BOLT

32

07049-01620

PLUG

Выбрано товаров: 0