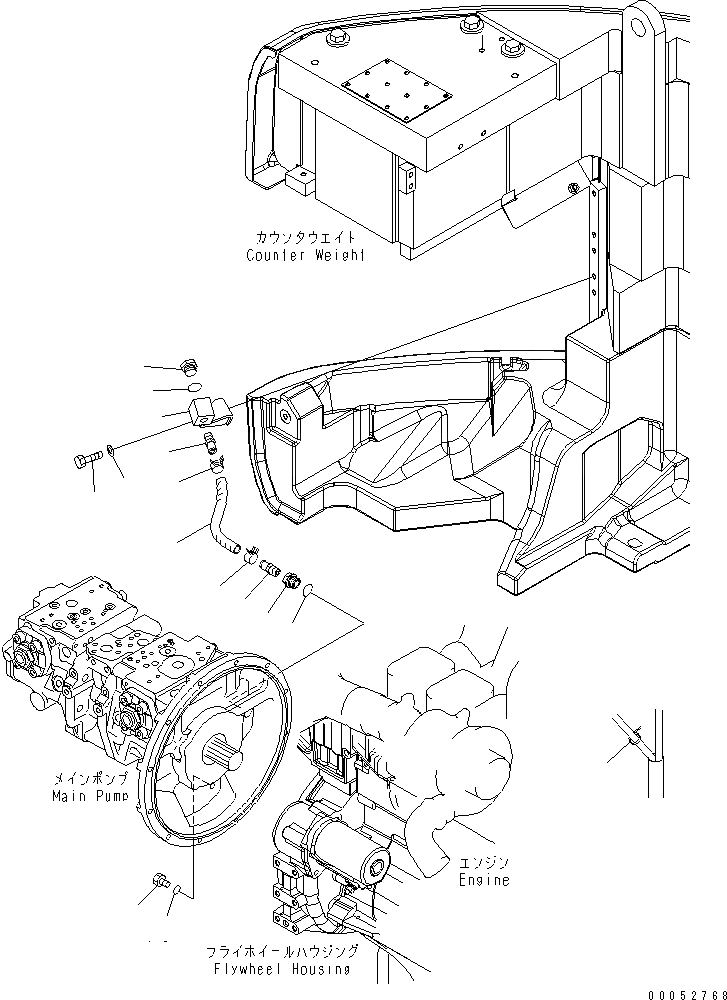
Запчасти Komatsu PC228US-3E0 ОСНОВН. НАСОС (СОЕДИНИТЕЛЬН. ЧАСТИ) ГИДРАВЛИКА

Схема запчастей Komatsu PC228US-3E0 - ОСНОВН. НАСОС (СОЕДИНИТЕЛЬН. ЧАСТИ) ГИДРАВЛИКА
1
2
3
3
4
5
5
6
7
8
9
10
11
12
13
FIT
1:1
100%

Артикул

Название

Примечание

Количество

1

21T-06-17940

PLUG

2

07002-12434

O-RING

3

566-07-41540

CONNECTOR

4

07286-01623

HOSE

4

07286-01621

HOSE

5

07285-00200

CLIP

6

22U-01-21193

BRACKET

7

07040-12412

PLUG

8

07002-12434

O-RING

9

07040-11209

PLUG

10

07002-11223

O-RING

11

01010-81225

BOLT

12

01643-31232

WASHER

13

08034-00536

BAND

Выбрано товаров: 14