Запчасти Komatsu PC228US-3E0 ЭЛЕКТРОПРОВОДКА (Э/ПРОВОДКА ДВИГАТЕЛЯ) ЭЛЕКТРИКА

Схема запчастей Komatsu PC228US-3E0 - ЭЛЕКТРОПРОВОДКА (Э/ПРОВОДКА ДВИГАТЕЛЯ) ЭЛЕКТРИКА
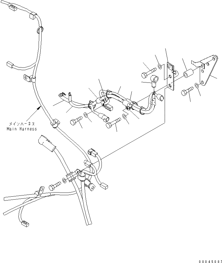
1
2
3
4
5
6
7
8
9
10
11
12
13
14
15
16
17
18
19
FIT
1:1
100%

Артикул

Название

Примечание

Количество

1

20Y-06-41351

CABLE

2

08038-12027

CAP

3

20Y-06-41361

WIRE HARNESS

4

04434-51412

CLIP

5

04434-51012

CLIP

6

20Y-06-41790

BRACKET

7

01010-81230

BOLT

8

01643-31232

WASHER

9

20Y-03-11220

COLLAR

10

01010-81265

BOLT

11

01643-31232

WASHER

12

04434-51412

CLIP

13

04434-51012

CLIP

14

01010-81230

BOLT

15

01643-31232

WASHER

16

20Y-06-41770

CABLE

17

20Y-06-41720

BRACKET

18

01010-81265

BOLT

19

01643-31232

WASHER

Выбрано товаров: 19