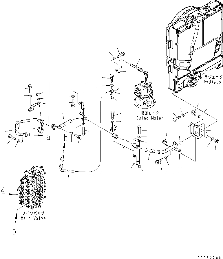
Запчасти Komatsu PC228US-3E0 НАВЕСНОЕ ОБОРУД-Е (КРЕПЛЕНИЕ ШЛАНГОВ) ( АКТУАТОР) ГИДРАВЛИКА

Схема запчастей Komatsu PC228US-3E0 - НАВЕСНОЕ ОБОРУД-Е (КРЕПЛЕНИЕ ШЛАНГОВ) ( АКТУАТОР) ГИДРАВЛИКА
1
1
2
2
3
3
3
3
4
4
4
4
5
5
6
6
7
7
8A
8A
8B
8B
9A
9A
9B
9B
10
10
10
10
10
10
10
10
11
11
11
11
1
2
3
4
5
6
7
8
9
10
11
12
13
14
15
16
17
18
19
FIT
1:1
100%

Артикул

Название

Примечание

Количество

1

22U-62-25671

TUBE

2

07000-13035

O-RING

3

07000-13032

O-RING

4

07372-21040

BOLT

5

01643-51032

WASHER

6

07372-21060

BOLT

7

01643-51032

WASHER

8

22U-62-25650

TUBE

9

07000-13032

O-RING

10

07372-21040

BOLT

11

01643-51032

WASHER

12

22U-62-23642

TUBE

13

07000-13032

O-RING

14

07372-21040

BOLT

15

01643-51032

WASHER

16

20Y-62-13711

CLAMP

17

20Y-62-21480

BRACKET

18

20Y-62-13450

PLATE

19

01010-81230

BOLT

Выбрано товаров: 19