Запчасти Komatsu PC228US-3E0 НАВЕСНОЕ ОБОРУД-Е (КРЕПЛЕНИЕ ШЛАНГОВ) ( АКТУАТОР) (СПЕЦИФ-Я С ОТВАЛОМ) ГИДРАВЛИКА

Схема запчастей Komatsu PC228US-3E0 - НАВЕСНОЕ ОБОРУД-Е (КРЕПЛЕНИЕ ШЛАНГОВ) ( АКТУАТОР) (СПЕЦИФ-Я С ОТВАЛОМ) ГИДРАВЛИКА
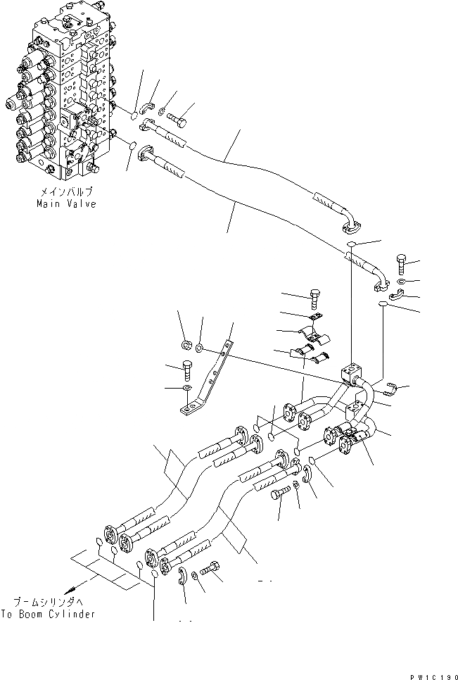
1
2
2
2A
3
4
5
6
6A
7
8
9
10
11
12
13
13
14
15
16
17
18
19
20
21
22
23
24
25
26
27
28
29
30
31
31
32
33
34
35
36
37
38
39
40
41
42
43
1
2
3
4
5
6
7
8
9
9
10
11
12
12
13
14
15
16
17
18
19
20
21
22
23
24
25
26
27
28
29
30
31
32
33
34
FIT
1:1
100%

Артикул

Название

Примечание

Количество

1

22U-62-24392

HOSE

2

07000-13032

O-RING

3

22U-62-24412

HOSE

4

07000-13032

O-RING

5

07371-31049

FLANGE

6

07372-21035

BOLT

7

01643-51032

WASHER

8

07095-01035

CUSHION

9

07094-11024

CLAMP

10

01010-81275

BOLT

11

01643-31232

WASHER

12

195-61-43880

CLIP

13

20Y-03-11220

COLLAR

14

01010-81275

BOLT

15

01643-31232

WASHER

16

22U-62-25671

TUBE

17

07000-13035

O-RING

18

07000-13032

O-RING

19

07372-21040

BOLT

20

01643-51032

WASHER

21

07372-21060

BOLT

22

01643-51032

WASHER

23

22U-62-26230

TUBE

24

07000-13032

O-RING

25

07372-21040

BOLT

26

01643-51032

WASHER

27

22U-62-26240

TUBE

28

07000-13032

O-RING

29

07372-21040

BOLT

30

01643-51032

WASHER

31

20Y-62-13711

CLAMP

32

20Y-62-21480

BRACKET

33

20Y-62-13450

PLATE

34

01010-81230

BOLT

Выбрано товаров: 34