Запчасти Komatsu PC228US-3N-YA МОТОР ПОВОРОТА СОЕД-Е(№-) ПОВОРОТН. КРУГ И КОМПОНЕНТЫ

Схема запчастей Komatsu PC228US-3N-YA - МОТОР ПОВОРОТА СОЕД-Е(№-) ПОВОРОТН. КРУГ И КОМПОНЕНТЫ
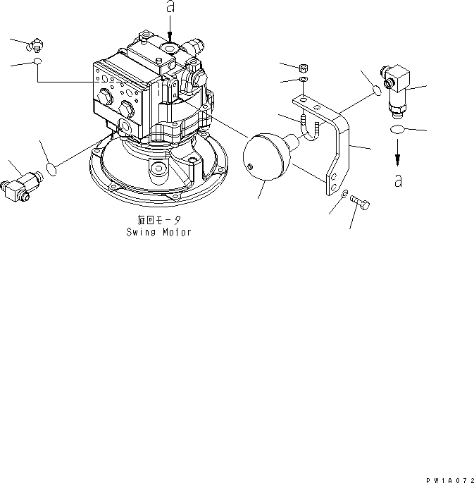
1
2
3
4
5
6
7
8
9
10
11
12
13
14
FIT
1:1
100%

Артикул

Название

Примечание

Количество

1

208-62-53110

TEE

2

07002-12434

O-RING

3

07235-10210

ELBOW

4

07002-11423

O-RING

5

22U-62-22960

ELBOW

6

07002-12434

O-RING

7

22U-62-22970

BRACKET

8

07283-33450

CLIP

9

01597-01009

NUT

10

01643-31032

WASHER

11

22U-60-21340

ACCUMULATOR

12

07002-12034

O-RING

13

01010-81030

BOLT

14

01643-31032

WASHER

Выбрано товаров: 14