Запчасти Komatsu PC228US-3N-YB ОСНОВН. КОНСТРУКЦИЯ (ЭЛЕКТР.) КАБИНА ОПЕРАТОРА И СИСТЕМА УПРАВЛЕНИЯ

Схема запчастей Komatsu PC228US-3N-YB - ОСНОВН. КОНСТРУКЦИЯ (ЭЛЕКТР.) КАБИНА ОПЕРАТОРА И СИСТЕМА УПРАВЛЕНИЯ
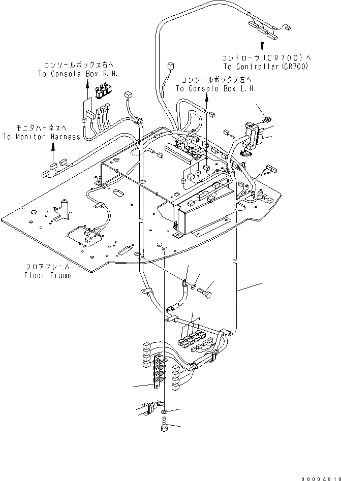
1
2
3
4
5
6
7
8
9
10
11
FIT
1:1
100%

Артикул

Название

Примечание

Количество

1

22U-06-22221

BRACKET

2

01010-81020

BOLT

3

01643-31032

WASHER

4

08028-43030

CABLE

5

01010-81020

BOLT

6

01643-31032

WASHER

7

22U-06-22182

WIRING HARNESS

8

08041-01000

FUSE¤ 10A

9

08041-02000

FUSE¤ 20A

10

01023-10620

SCREW

11

8233-06-3350

DIODE

Выбрано товаров: 0