Качественные детали и логистика
Оригинальные и аналоговые запчасти с доставкой по России, Казахстану и Беларуси
©2022 PartSell ООО "Система" ИНН 2463123282 ОГРН 1212400004838
Центральный офис: г. Красноярск, Академика Киренского, д.87, пом.4
Телефон: 8 (800) 777-65-74 Email: zakaz@partsell.ru
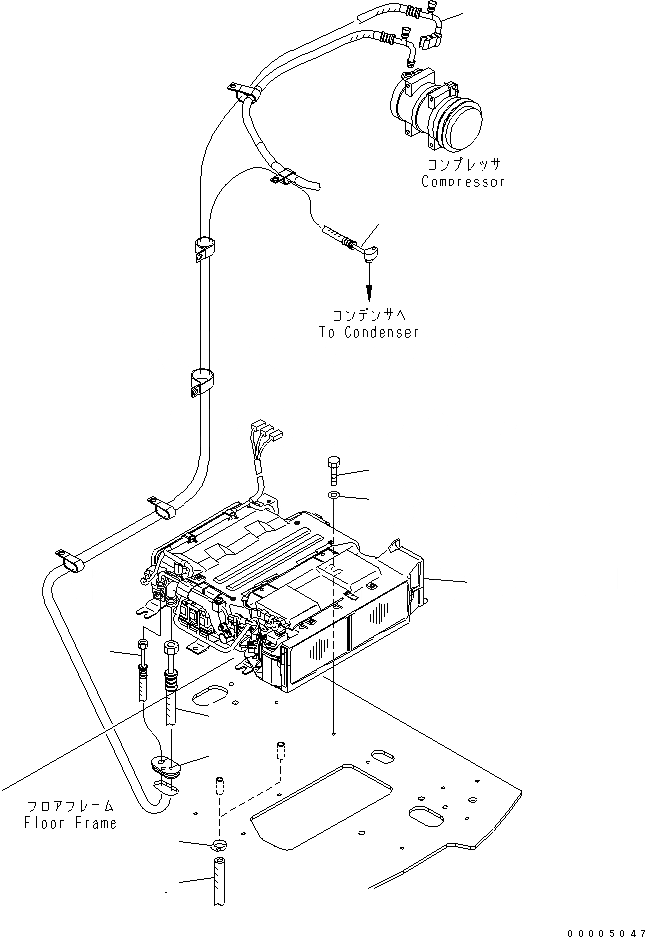
ОСНОВН. КОНСТРУКЦИЯ (БЛОК КОНДИЦИОНЕРА И ШЛАНГИ)
№
Артикул
Название
Примечание
Количество
1
22U-979-1720
UNIT ASS'Y
2
01010-D1020
BOLT
3
01643-71032
WASHER
4
22U-54-25571
GROMMET
5
22B-979-1860
HOSE
6
07280-02523
CLAMP
7
22U-979-2263
8
22U-979-2273
Выбрано товаров: 0