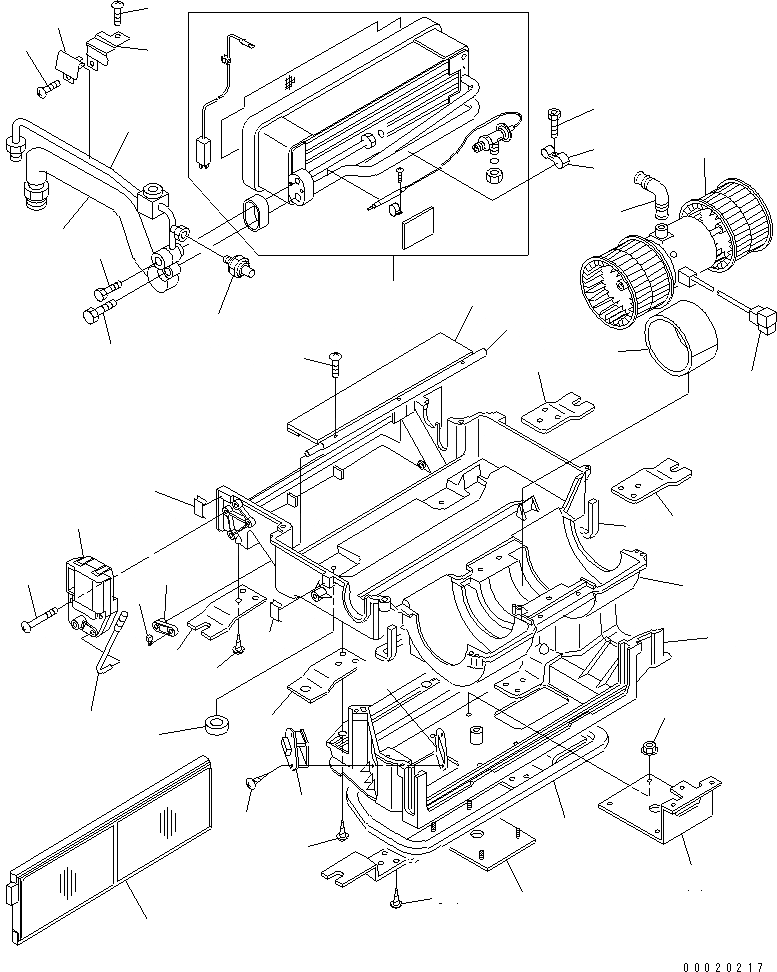
Запчасти Komatsu PC228US-3N-YB БЛОК КОНДИЦИОНЕРА (/) (РУЧН. КОНДИЦ. ВОЗДУХА) ОСНОВН. КОМПОНЕНТЫ И РЕМКОМПЛЕКТЫ

Схема запчастей Komatsu PC228US-3N-YB - БЛОК КОНДИЦИОНЕРА (/) (РУЧН. КОНДИЦ. ВОЗДУХА) ОСНОВН. КОМПОНЕНТЫ И РЕМКОМПЛЕКТЫ
1
2
3
4
5
6
7
8
9
10
11
12
13
14
15
16
16
17
18
19
20
21
22
23
24
25
26
27
28
29
30
31
32
32
33
34
34
35
36
37
38
39
40
41
42
43
FIT
1:1
100%

Артикул

Название

Примечание

Количество

|1

22U-979-1720

UNIT ASS'Y

|1

DK534138-6720

CASE ASS'Y

1

DK534136-9301

CASE

2

DK534189-9100

LINING

3

DK534461-8902

COVER

4

22B-979-1730

FILTER

|4

FILTER

|4

LINING

5

DK503700-4770

EVAPORATOR ASS'Y

6

DK580534-1500

CLIP

7

DK580534-1600

CLIP

8

DK012114-1240

SCREW

9

DK534057-3520

PIPE

|10

DK535237-9220

PIPE ASS'Y

10

DK535237-9120

PIPE

11

DK582532-0700

PRESSURE SWITCH

12

DK020058-3040

BOLT

13

DK020046-3040

BOLT

14

DK580534-2000

CLIP

15

DK580534-1900

CLIP

16

DK592022-3700

SCREW

17

DK502725-1730

FAN MOTOR

18

DK534510-5200

HOSE

19

DK592405-1700

ISOLATOR

20

DK536021-5200

WIRING HARNESS

21

DK582571-9300

RESISTOR

22

DK012514-1640

SCREW

23

DK523100-0700

PLATE

24

DK502752-3250

MOTOR ACTUATOR

25

DK580140-0300

SCREW

26

DK534270-7920

DOOR

27

DK534470-9200

LEVER

28

DK592055-0900

CLIP

29

DK536160-2100

ROD

30

DK534104-4300

BRACKET

31

DK534104-4400

BRACKET

32

DK534104-5000

BRACKET

33

DK592022-3700

SCREW

34

DK012514-1640

SCREW

35

DK580521-7700

CLIP

36

DK592024-1800

CLIP

37

DK534190-0300

LINING

38

DK534234-6300

SEAL

39

DK012153-0640

SCREW

40

DK534280-1500

SHAFT

41

DK534104-7300

BRACKET

42

DK534104-7500

BRACKET

43

DK029200-6240

NUT

Выбрано товаров: 48