Запчасти Komatsu PC228US-3N-YB ЛИНИЯ ХОДА (СПЕЦИФ-Я С ОТВАЛОМ)(№-) ГИДРАВЛИКА

Схема запчастей Komatsu PC228US-3N-YB - ЛИНИЯ ХОДА (СПЕЦИФ-Я С ОТВАЛОМ)(№-) ГИДРАВЛИКА
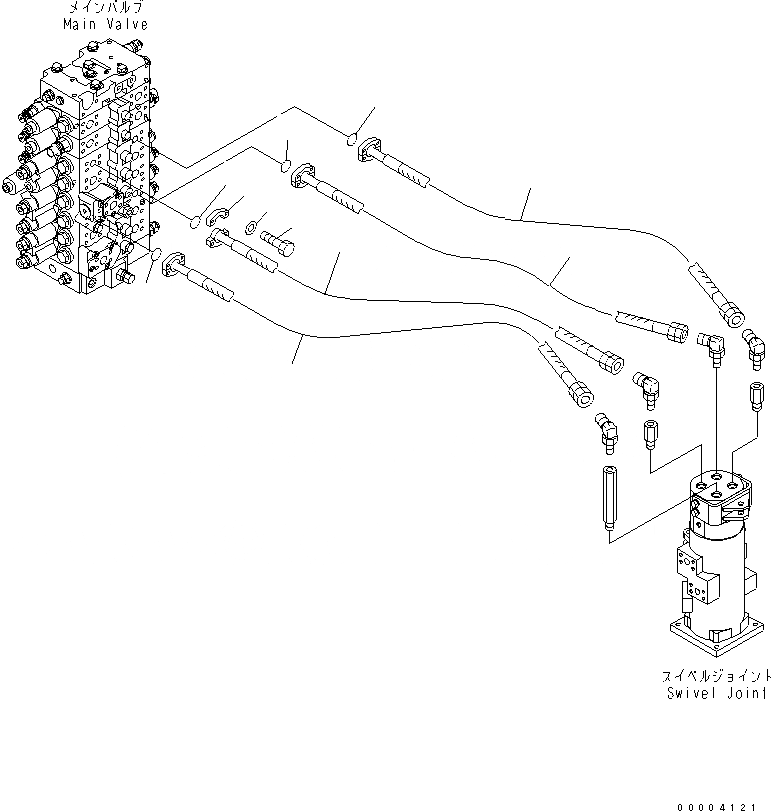
1
2
3
4
5
6
7
8
9
10
11
FIT
1:1
100%

Артикул

Название

Примечание

Количество

1

22U-62-22211

HOSE

2

21T-09-11460

O-RING

3

22U-62-24380

HOSE¤ 1150MM

4

21T-09-11460

O-RING

5

22U-62-23960

HOSE¤ 1050MM

6

21T-09-11460

O-RING

7

22U-62-21511

HOSE¤ 1200MM

8

21T-09-11460

O-RING

9

07371-31049

FLANGE

10

07372-21035

BOLT

11

01643-51032

WASHER

Выбрано товаров: 11