Качественные детали и логистика
Оригинальные и аналоговые запчасти с доставкой по России, Казахстану и Беларуси
©2022 PartSell ООО "Система" ИНН 2463123282 ОГРН 1212400004838
Центральный офис: г. Красноярск, Академика Киренского, д.87, пом.4
Телефон: 8 (800) 777-65-74 Email: zakaz@partsell.ru
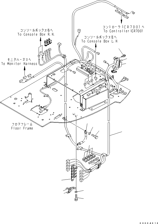
ОСНОВН. КОНСТРУКЦИЯ (ЭЛЕКТР.)
№
Артикул
Название
Примечание
Количество
1
22U-06-22221
BRACKET
2
01010-81020
BOLT
3
01643-31032
WASHER
4
08028-43030
CABLE
5
6
7
22U-06-22182
WIRING HARNESS
8
08041-01000
FUSE¤ 10A
9
08041-02000
FUSE¤ 20A
10
01023-10620
SCREW
11
8233-06-3350
DIODE
Выбрано товаров: 0