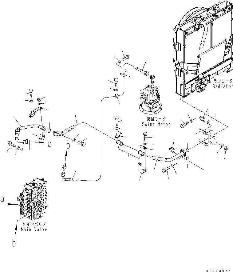
Запчасти Komatsu PC228US-3N-YP ЛИНИЯ МАСЛООХЛАДИТЕЛЯ( АКТУАТОР) ГИДРАВЛИКА

Схема запчастей Komatsu PC228US-3N-YP - ЛИНИЯ МАСЛООХЛАДИТЕЛЯ( АКТУАТОР) ГИДРАВЛИКА
1
2
3
4
5
5
6
7
8
8
9
10
11
12
12
13
14
15
16
17
18
19
20
20
21
22
23
24
25
26
27
28
29
30
31
32
33
34
35
36
37
37
38
38
FIT
1:1
100%

Артикул

Название

Примечание

Количество

1

22U-62-21251

TUBE

2

07000-13045

O-RING

3

01010-81245

BOLT

4

01643-31232

WASHER

5

22U-62-25891

HOSE

|5

22U-62-25890

HOSE

6

20Y-62-21720

FLANGE

7

07000-13048

O-RING

8

07000-13038

O-RING

8

01010-81240

BOLT

9

01643-31232

WASHER

10

01010-81040

BOLT

11

01643-31032

WASHER

12

22U-62-21243

HOSE

|12

22U-62-21242

HOSE

13

22U-62-21261

BRACKET

14

01010-81225

BOLT

15

01643-31232

WASHER

16

07283-33442

CLIP

17

01597-01009

NUT

18

01643-31032

WASHER

19

22U-62-26170

BRACKET

20

22U-62-21281

CLAMP

21

07095-01038

CUSHION

22

01010-81230

BOLT

|22

01010-81250

BOLT

23

01643-31232

WASHER

24

01010-81230

BOLT

25

01643-31232

WASHER

26

22U-62-26211

BRACKET

|26

22U-62-26210

BRACKET

27

01010-81225

BOLT

28

01643-31232

WASHER

29

07283-34354

CLIP

|29

07283-34354

CLIP

30

07283-33450

CLIP

31

07283-54353

SEAT

|31

07283-54353

SEAT

32

07283-53444

SEAT

33

01597-01009

NUT

34

01643-31032

WASHER

35

04434-53212

CLIP

36

20Y-62-15951

CLIP

37

01010-81225

BOLT

38

01643-31232

WASHER

Выбрано товаров: 45