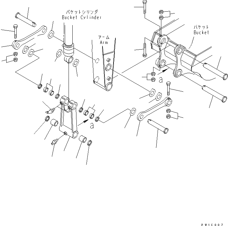
Запчасти Komatsu PC228US-3U РУКОЯТЬ (.M) (СОЕДИНЕНИЕ КОВША) (YELНИЗ.)(№-) РАБОЧЕЕ ОБОРУДОВАНИЕ

Схема запчастей Komatsu PC228US-3U - РУКОЯТЬ (.M) (СОЕДИНЕНИЕ КОВША) (YELНИЗ.)(№-) РАБОЧЕЕ ОБОРУДОВАНИЕ
1
2
2
3
3
4
5
6
6
6
6
7
7
8
8
9
10
11
12
12
13
14
15
16
17
17
17
17
18
19
20
21
22
23
24
FIT
1:1
100%

Артикул

Название

Примечание

Количество

|$3

20Y-70-01250

LINK ASS'Y

1

LINK

1

LINK

2

20Y-70-32351

BUSHING

3

20Y-70-32361

BUSHING

4

07020-00000

FITTING

5

07020-00675

FITTING

6

20Y-70-23220

SEAL

7

20Y-70-23230

SEAL

8

205-70-73130NK

LINK

9

22U-70-21191NK

PIN

10

20Y-70-32450

BOLT

10

205-70-73190

BOLT

11

01580-12016

NUT

12

20Y-70-31450

SPACER, 1.0MM

13

20Y-70-31460

SPACER, 2.0MM

14

22U-70-21191NK

PIN

15

20Y-70-32450

BOLT

15

205-70-73190

BOLT

16

01580-12016

NUT

17

20Y-70-31440

SPACER, 1.0MM

18

20Y-70-31480

SPACER, 2.0MM

19

205-70-73270NK

PIN

20

20Y-70-32450

BOLT

20

205-70-73190

BOLT

21

01580-12016

NUT

22

205-70-73270NK

PIN

23

20Y-70-32460

BOLT

23

362-46-11210

BOLT

24

01580-12016

NUT

Выбрано товаров: 30