Запчасти Komatsu PC228US-8 СИСТЕМА ОХЛАЖДЕНИЯ, SUB-БАК (№-) СИСТЕМА ОХЛАЖДЕНИЯ

Схема запчастей Komatsu PC228US-8 - СИСТЕМА ОХЛАЖДЕНИЯ, SUB-БАК (№-) СИСТЕМА ОХЛАЖДЕНИЯ
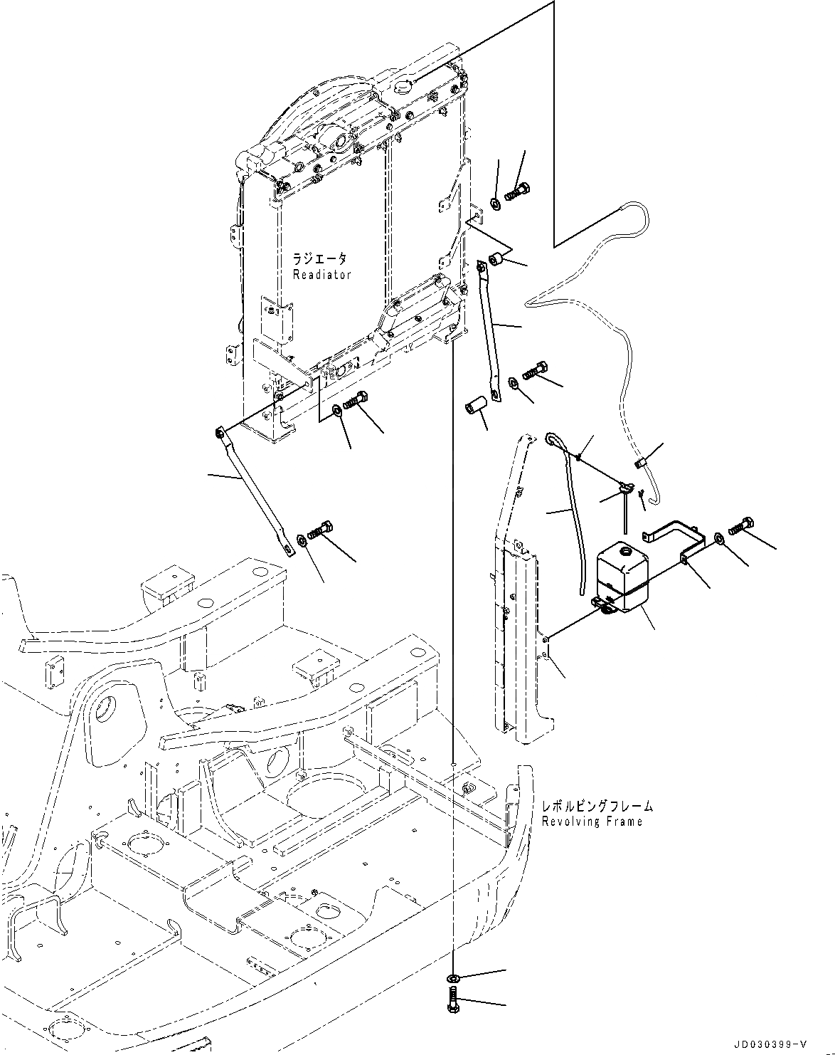
20
2
1
5
4
6
3
9
11
15
10
19
12
17
12
17
14
17
13
17
7
8
18
16
FIT
1:1
100%

Артикул

Название

Примечание

Количество

1

20Y-06-15240

Tank

2

205-03-71532

Cap

2

205-03-71540

Packing

3

22U-03-27951

Hose

3

22U-03-27950

Hose

4

206-03-43340

Clip

5

206-03-43340

Clip

6

22U-03-21350

Bracket

7

01010-80820

Bolt

8

01643-30823

Washer

9

04434-51212

Clip

10

22U-03-22280

Stay

11

22U-03-31750

Stay

12

01010-81640

Bolt

13

01011-81610

Bolt

14

01010-81670

Bolt

15

56D-83-16250

Collar

16

175-03-32650

Collar

17

21T-54-16150

Washer

18

01010-81655

Bolt

19

01643-31645

Washer

20

22U-54-32641

Frame

Выбрано товаров: 0