Запчасти Komatsu PC228US-8 УПРАВЛЯЮЩ. КЛАПАН, 8-СЕКЦИОНН. (/) (№-) УПРАВЛЯЮЩ. КЛАПАН, -ДОПОЛН. АКТУАТОР ТРУБЫ, АККУМУЛЯТОР, СТРЕЛА ANTI-DROP КЛАПАН, РУКОЯТЬ

Схема запчастей Komatsu PC228US-8 - УПРАВЛЯЮЩ. КЛАПАН, 8-СЕКЦИОНН. (/) (№-) УПРАВЛЯЮЩ. КЛАПАН, -ДОПОЛН. АКТУАТОР ТРУБЫ, АККУМУЛЯТОР, СТРЕЛА ANTI-DROP КЛАПАН, РУКОЯТЬ
2
1
3
4
2
1
4
3
FIT
1:1
100%

Артикул

Название

Примечание

Количество

|$0

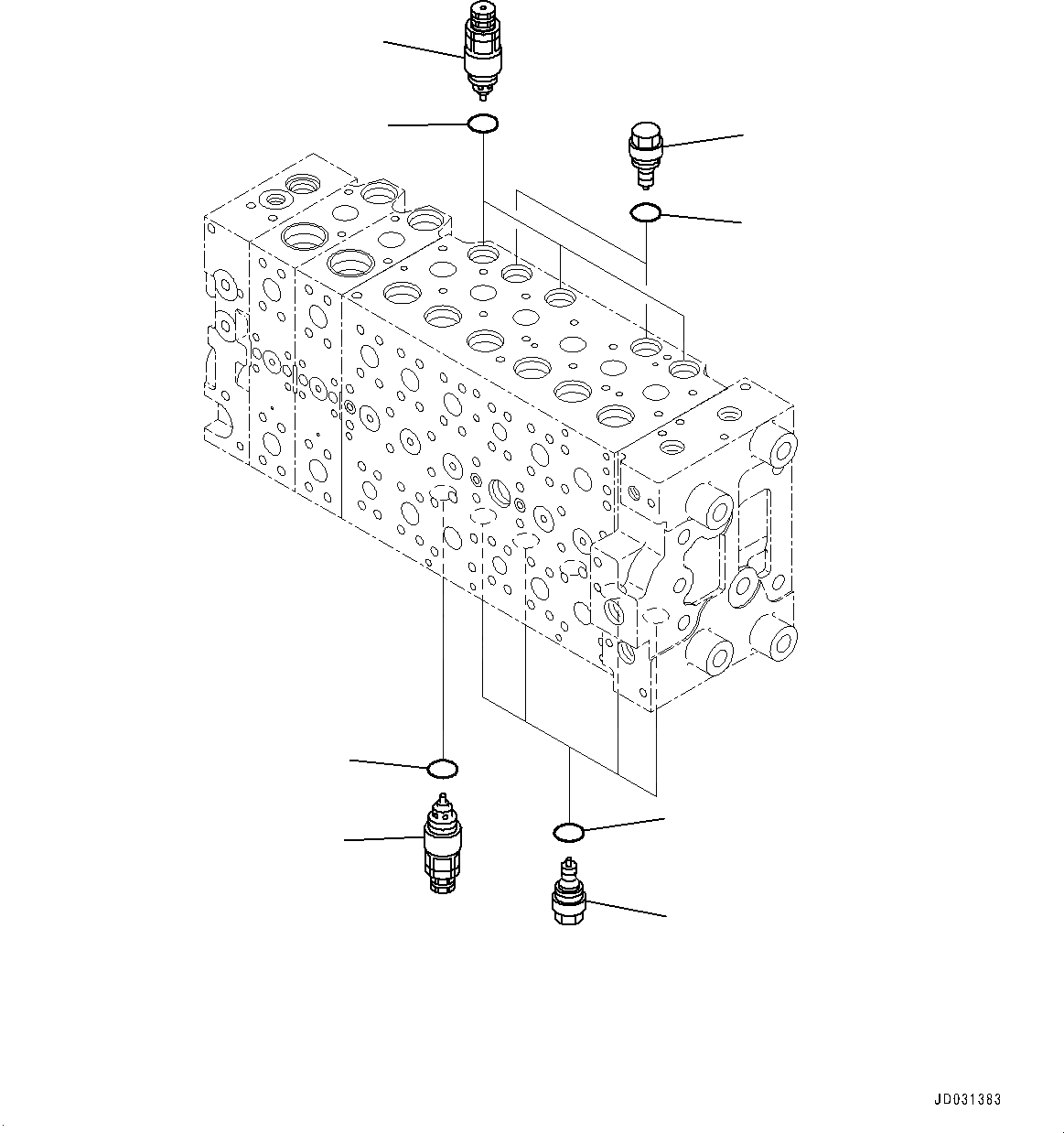
723-48-24400

Valve Assembly

1

723-40-91200

Valve Assembly, Suction and Relief, Suction and Safety

2

709-25-11390

O-ring

3

723-40-85100

Valve Assembly, Suction

4

709-25-11390

O-ring

Выбрано товаров: 0