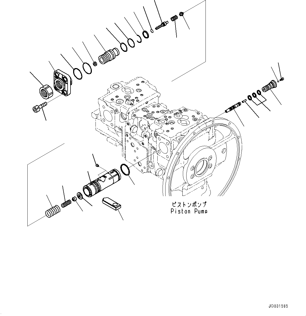
Запчасти Komatsu PC228US-8 ПОРШЕНЬ НАСОС, ВНУТР. ЧАСТИ (/) (№7-) ПОРШЕНЬ НАСОС

Схема запчастей Komatsu PC228US-8 - ПОРШЕНЬ НАСОС, ВНУТР. ЧАСТИ (/) (№7-) ПОРШЕНЬ НАСОС
15
16
21
22
20
28
18
19
1
17
26
23
24
25
27
29
7
6
5
8
9
10
4
13
12
14
11
3
2
FIT
1:1
100%

Артикул

Название

Примечание

Количество

|$0

708-2L-00901

Pump Assembly

|$1

708-2L-01900

Pump Subassembly

1

708-2L-34180

Slider

1

708-2L-07410

Valve Assembly, PC

1

708-2L-07420

Piston Assembly, Servo

2

Piston, Servo

3

Plug

4

Seal

5

Plug

6

708-2L-35760

Ball

7

708-2L-35770

Plug

8

Seal

9

708-2L-35280

Pin

10

708-2L-35860

Spool

11

708-2L-35630

Retainer

12

708-2L-35641

Seat

13

708-2L-35240

Spring

14

708-2L-35730

Spring

15

708-2L-35650

Seat

16

708-2L-35250

Spring

17

Screw

18

07000-B3034

O-ring

19

708-2L-35210

Ring, Back-up

20

Seal

21

708-2L-35270

Plug

22

07000-B2011

O-ring

23

07000-B3045

O-ring

24

708-2L-35750

Ring, Back-up

25

708-2L-34310

Cover

26

01580-10806

Nut

27

708-2L-35290

Nut

28

708-2L-35670

Ring, Wire

29

01252-61440

Bolt, Hexagon Socket Head

Выбрано товаров: 33