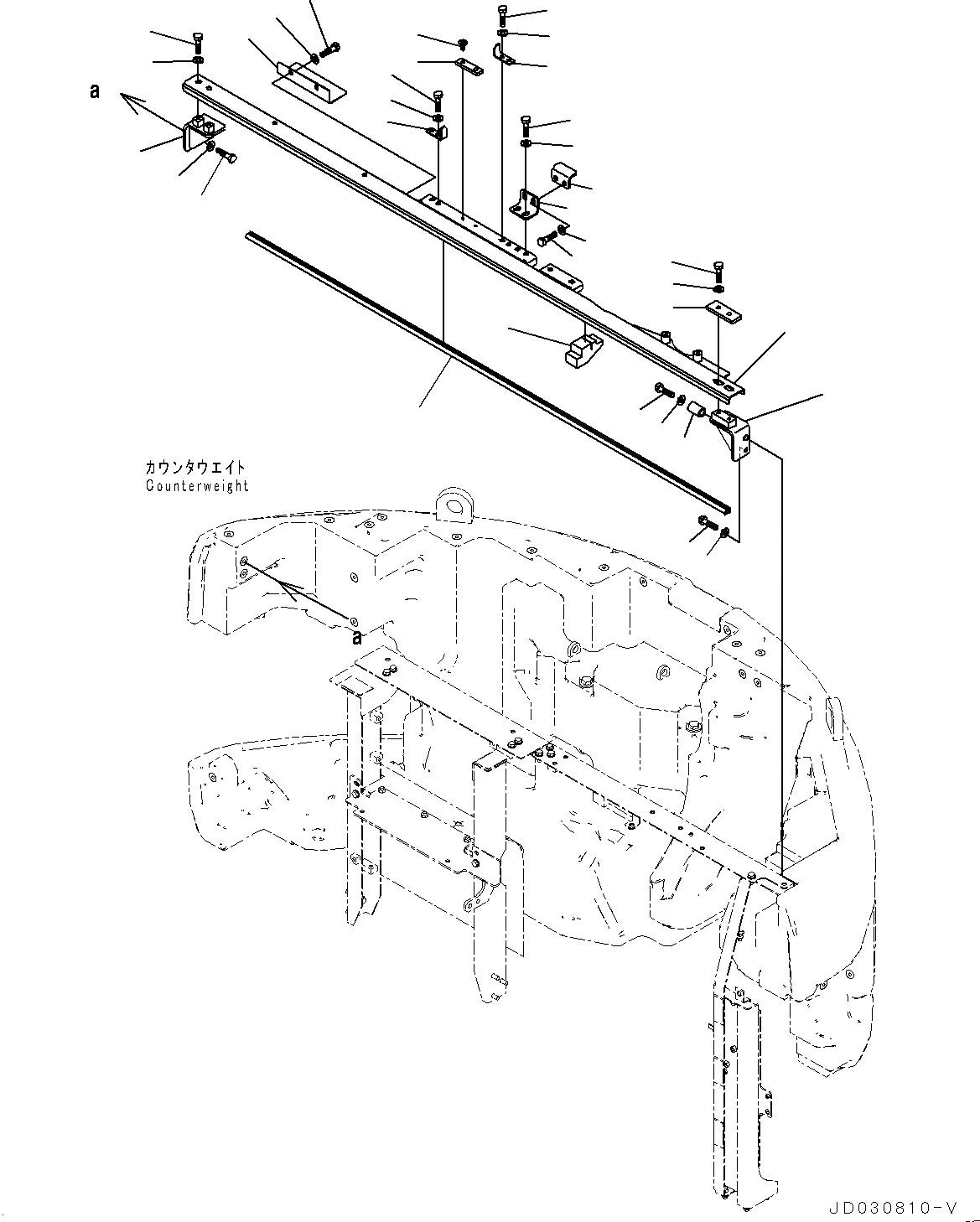
Запчасти Komatsu PC228US-8 КАПОТ, РАМА (№-) КАПОТ, С ПРЕФИЛЬТР

Схема запчастей Komatsu PC228US-8 - КАПОТ, РАМА (№-) КАПОТ, С ПРЕФИЛЬТР
26
27
23
25
24
1
3
2
4
4
7
8
9
12
14
13
15
17
16
22
10
11
5
6
6
5
19
20
21
18
28
29
31
30
FIT
1:1
100%

Артикул

Название

Примечание

Количество

|$0

22U-54-34900

Frame Assembly

1

Frame

2

22U-54-32331

Sheet

3

22U-54-32341

Seal

4

20Y-54-27182

Bracket

5

01010-81230

Bolt

6

01643-31232

Washer

7

205-54-68440

Plate

8

01224-40625

Screw, Philips Head

9

22U-54-32350

Bracket

10

01010-81230

Bolt

11

01643-31232

Washer

12

22U-54-32360

Bracket

13

01010-81230

Bolt

14

01643-31232

Washer

15

22U-54-32460

Cover

16

01010-81230

Bolt

17

01643-31232

Washer

18

22U-54-32450

Plate

19

01010-81240

Bolt

20

01643-31232

Washer

21

01010-81230

Bolt

22

01643-31232

Washer

23

22U-54-32381

Bracket

24

01010-81230

Bolt

25

01643-31232

Washer

26

22U-54-32392

Bracket

26

22U-54-32391

Bracket

27

22U-54-32610

Collar

28

01643-31645

Washer

29

01010-81685

Bolt

30

01010-81230

Bolt

31

01643-31232

Washer

Выбрано товаров: 33