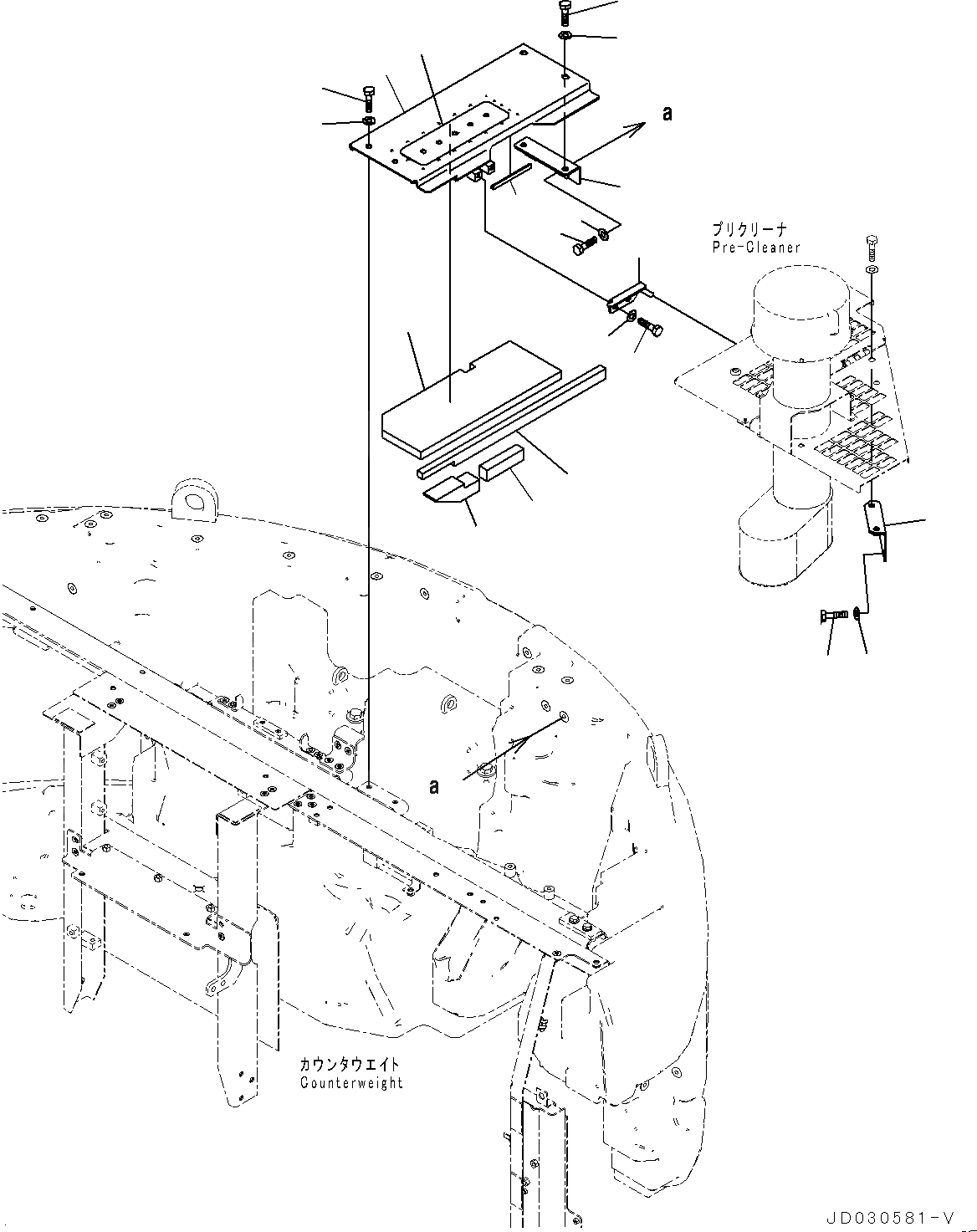
Запчасти Komatsu PC228US-8 КАПОТ, КРЫШКА(№-) КАПОТ, С ПРЕФИЛЬТР

Схема запчастей Komatsu PC228US-8 - КАПОТ, КРЫШКА(№-) КАПОТ, С ПРЕФИЛЬТР
10
12
11
1
5
4
2
3
6
7
9
8
13
15
14
16
18
17
9
8
FIT
1:1
100%

Артикул

Название

Примечание

Количество

|$0

22U-54-34830

Cover Assembly

1

Cover

2

22U-54-34870

Sheet

3

22U-54-34880

Sheet

4

22U-54-32180

Seal

5

22U-54-32250

Seal

6

22U-54-32290

Sheet

7

20Y-00-42110

Plate

8

01010-81230

Bolt

9

01643-31232

Washer

10

22U-54-32280

Bracket

11

01010-81230

Bolt

12

01643-31232

Washer

13

22U-54-34850

Bracket

14

01010-81230

Bolt

15

01643-31232

Washer

16

22U-54-34860

Bracket

17

01010-81230

Bolt

18

01643-31232

Washer

Выбрано товаров: 0