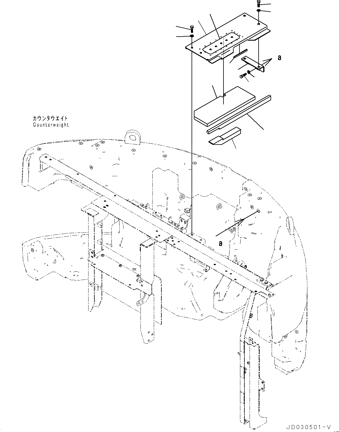
Запчасти Komatsu PC228US-8 КАПОТ, КРЫШКА(№-) КАПОТ, DUSTЗАЩИТА NET, INTAKE GAS И ВЫПУСКН. GAS

Схема запчастей Komatsu PC228US-8 - КАПОТ, КРЫШКА(№-) КАПОТ, DUSTЗАЩИТА NET, INTAKE GAS И ВЫПУСКН. GAS
9
11
10
1
4
3
2
5
6
7
8
8
7
FIT
1:1
100%

Артикул

Название

Примечание

Количество

|$0

22U-54-32240

Cover Assembly

1

Cover

2

22U-54-32170

Sheet

3

22U-54-32180

Seal

4

22U-54-32250

Seal

5

22U-54-32290

Sheet

6

20Y-00-42110

Plate

7

01010-81230

Bolt

8

01643-31232

Washer

9

22U-54-32280

Bracket

10

01010-81230

Bolt

11

01643-31232

Washer

Выбрано товаров: 12